Foram encontradas 2.550 questões.

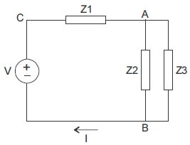
Considerando que no circuito mostrado na figura acima as grandezas se referem ao Sistema Internacional de Unidades, julgue o item a seguir.
A impedância equivalente total do circuito é dada por Zeq = Z1 + [Z2 + Z3]/[Z2 × Z3].
Provas

Considerando que no circuito mostrado na figura acima as grandezas se referem ao Sistema Internacional de Unidades, julgue o item a seguir.
Considerando que as impedâncias Z1, Z2 e Z3 sejam puramente resistivas e que a corrente I seja contínua, é correto afirmar que a potência total dissipada pelas impedâncias é expressa por P = V/I.
Provas

Considerando que no circuito mostrado na figura acima as grandezas se referem ao Sistema Internacional de Unidades, julgue o item a seguir.
A medição de corrente seria corretamente realizada ligando-se um amperímetro em paralelo às impedâncias Z2 e Z3.
Provas

Com base nas representações em desenho técnico da peça ilustrada na figura acima, julgue o item a seguir.
Se X < 10, então a escala mostrada é de ampliação.
Provas

Com base nas representações em desenho técnico da peça ilustrada na figura acima, julgue o item a seguir.
Em ambas as representações, com e sem corte, a vista lateral poderia ser suprimida sem perda de informações.
Provas

A figura acima apresenta uma peça em perspectiva isométrica e suas três vistas ortogonais.
Com base nessa figura e considerando que o polígono ADEF seja um retângulo, julgue o item a seguir.
O uso da perspectiva cavaleira permitiria que ao menos uma das faces do objeto fosse representada em verdadeira grandeza, apesar das distorções em outras dimensões.
Provas

A figura acima apresenta uma peça em perspectiva isométrica e suas três vistas ortogonais.
Com base nessa figura e considerando que o polígono ADEF seja um retângulo, julgue o item a seguir.
As vistas foram feitas considerando-se a representação geométrica do 3° diedro.
Provas

A figura acima apresenta uma peça em perspectiva isométrica e suas três vistas ortogonais.
Com base nessa figura e considerando que o polígono ADEF seja um retângulo, julgue o item a seguir.
Se o ângulo entre os segmentos BF e BC for igual a 100°, então o ângulo entre os segmentos BF e FE será igual a 80°.
Provas

A figura acima apresenta uma peça em perspectiva isométrica e suas três vistas ortogonais.
Com base nessa figura e considerando que o polígono ADEF seja um retângulo, julgue o item a seguir.
A área do polígono BCEF é determinada pela relação [(FE–BC) × DE]/2.
Provas

A figura acima apresenta uma peça em perspectiva isométrica e suas três vistas ortogonais.
Com base nessa figura e considerando que o polígono ADEF seja um retângulo, julgue o item a seguir.
Em uma representação em desenho técnico, a peça da figura apresentaria pelo menos uma linha de simetria.
Provas
Caderno Container