Foram encontradas 3.180 questões.

O circuito de corrente alternada (ca) monofásico com três condutores ilustrado na figura acima é uma típica rede de potência encontrada em residências. Nesse circuito específico, os geradores de ca, representados por V, são idênticos. Duas cargas, cada uma de valor ZL, são conectadas entre fase e neutro, e outra carga, de valor ZLL, é conectada entre as fases.
Considerando essas informações, julgue o item a seguir.
A corrente ca que flui pelo neutro é InN = \( \dfrac{2V}{Z_L} \).
Provas

Considerando que a rede ilustrada na figura acima seja implementada com um transformador ideal, alimentada com uma senóide de amplitude 220 VRMS, frequência de 60 Hz e fase zero, julgue o item seguinte.
A impedância vista pelo gerador é Zin = 50 \( \Omega \).
Provas

Considerando que a rede ilustrada na figura acima seja implementada com um transformador ideal, alimentada com uma senóide de amplitude 220 VRMS, frequência de 60 Hz e fase zero, julgue o item seguinte.
A amplitude da corrente suprida pelo gerador é IS = 3,52 ARMS.
Provas

Considerando que a rede ilustrada na figura acima seja implementada com um transformador ideal, alimentada com uma senóide de amplitude 220 VRMS, frequência de 60 Hz e fase zero, julgue o item seguinte.
A amplitude da tensão sobre a carga de 50 S é vL = 44 VRMS.
Provas

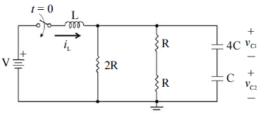
Considere que o circuito ilustrado na figura acima seja mantido com a chave aberta por um tempo suficientemente grande e que, no instante t = 0, a chave seja subitamente fechada, de tal forma que a bateria de tensão igual a V seja conectada ao indutor em associação com os resistores e capacitores. Acerca dessas informações e considerando, ainda, a situação do circuito em regime permanente, julgue o item a seguir.
A potência dissipada por cada um dos resistores R é igual a \( \dfrac{V^2}{4R} \)
Provas

Considere que o circuito ilustrado na figura acima seja mantido com a chave aberta por um tempo suficientemente grande e que, no instante t = 0, a chave seja subitamente fechada, de tal forma que a bateria de tensão igual a V seja conectada ao indutor emassociação com os resistores e capacitores. Acerca dessas informações e considerando, ainda, a situação do circuito em regime permanente, julgue o item a seguir.
As tensões sobre os capacitores 4C e C são dadas, respectivamente, por vC1 = \( \dfrac{V}{5} \) e vC2 = \( \dfrac{4V}{5} \).
Provas

Considere que uma espira quadrada de dimensão \( l \) seja posicionada em um campo magnético uniforme B para a geração de potência elétrica e que o vetor campo magnético esteja orientado segundo o eixo positivo Oz perpendicular ao plano xOy, com referência ao sistema de coordenadas xyz ilustrado na figura acima. Em face dessas informações e considerando, ainda, que a espira gire no sentido anti-horário em torno do eixo Ox com uma frequência angular T, julgue o item seguinte.
Enquanto a espira permanecer parada, a corrente induzida será zero.
Provas

Considere que uma espira quadrada de dimensão \( l \) seja posicionada em um campo magnético uniforme B para a geração de potência elétrica e que o vetor campo magnético esteja orientado segundo o eixo positivo Oz perpendicular ao plano xOy, com referência ao sistema de coordenadas xyz ilustrado na figura acima. Em face dessas informações e considerando, ainda, que a espira gire no sentido anti-horário em torno do eixo Ox com uma frequência angular T, julgue o item seguinte.
A diferença de potencial induzida sobre a espira, medida entre os pontos a e b, será máxima quando a espira encontrar-se no plano xOy.
Provas
Considere que uma espira quadrada de dimensão \( l \) seja posicionada em um campo magnético uniforme B para a geração de potência elétrica e que o vetor campo magnético esteja orientado segundo o eixo positivo Oz perpendicular ao plano xOy, com referência ao sistema de coordenadas xyz ilustrado na figura acima. Em face dessas informações e considerando, ainda, que a espira gire no sentido anti-horário em torno do eixo Ox com uma frequência angular T, julgue o item seguinte.
Se, no instante t = 0, a espira se encontrar no plano xOy, então o fluxo magnético que atravessará a espira no instante arbitrário t = ta será dado por Bl2 cos(\( \omega \)ta), em que B é a intensidade do vetor campo magnético.
Provas

Considerando a figura acima, que ilustra algumas linhas de campo elétrico entre placas paralelas eletricamente carregadas, com cargas uniformemente distribuídas na área de cada placa, julgue o item subsequente.
Se a figura acima representasse um capacitor com ddp entre as placas igual a 10 V e distância entre as placas de 2 cm, um elétron com carga igual a 1,6×10-19 C, posicionado entre as placas, estará submetido a uma força de 8×10-19 N.
Provas
Caderno Container