Magna Concursos

Foram encontradas 540 questões.

3264261 Ano: 2014
Disciplina: Engenharia Elétrica
Banca: UFPR
Orgão: UNILA

Considere o circuito elétrico abaixo, onde uma fonte de tensão senoidal (CA) de valor eficaz de tensão igual a 120V é aplicada a um circuito composto por dois resistores de resistências iguais a \( R_1 = 20 \Omega \ e \ R_2 = 20\Omega \), um indutor de reatância indutiva igual a \( X_L = 10 \Omega \) e um capacitor de reatância capacitiva igual a \( X_c = 10 \Omega \).

Enunciado 3588418-1

Assinale a alternativa que indica a potência ativa (média) fornecida pela fonte de tensão:

 

Provas

Questão presente nas seguintes provas
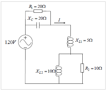
3264260 Ano: 2014
Disciplina: Engenharia Elétrica
Banca: UFPR
Orgão: UNILA

Considere o circuito elétrico abaixo, onde uma fonte de tensão senoidal (CA) de valor eficaz de tensão igual a 120V é aplicada a um circuito composto por dois resistores de resistências iguais a \( R_1 = 20\Omega \ e \ R_2 = 10\Omega \), dois indutores de reatâncias indutivas iguais a \( X_{L1} = 5\Omega \ e \ X_{L2} = 10\Omega \) e um capacitor de reatância capacitiva igual a \( X_c = 20 \Omega \).

Enunciado 3588417-1

Assinale a alternativa que apresenta a corrente I, indicada no circuito:

 

Provas

Questão presente nas seguintes provas
3264259 Ano: 2014
Disciplina: Engenharia Elétrica
Banca: UFPR
Orgão: UNILA

Considere o circuito elétrico abaixo.

Enunciado 3588416-1

Assinale a alternativa que indica a diferença de potencial indicada por Vx.

 

Provas

Questão presente nas seguintes provas
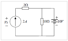
3264258 Ano: 2014
Disciplina: Engenharia Elétrica
Banca: UFPR
Orgão: UNILA

Considere o circuito elétrico abaixo.

Enunciado 3588415-1

Assinale a alternativa que indica o valor da corrente I.

 

Provas

Questão presente nas seguintes provas
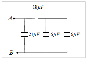
3264257 Ano: 2014
Disciplina: Engenharia Elétrica
Banca: UFPR
Orgão: UNILA

Considere o circuito elétrico abaixo.

Enunciado 3588414-1

A capacitância equivalente, vista entre os terminais A e B, é igual a:

 

Provas

Questão presente nas seguintes provas
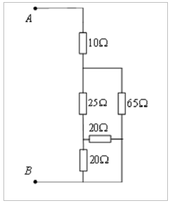
3264256 Ano: 2014
Disciplina: Engenharia Elétrica
Banca: UFPR
Orgão: UNILA

Considere o circuito elétrico abaixo.

Enunciado 3588413-1

A resistência equivalente, vista entre os terminais A e B, é igual a:

 

Provas

Questão presente nas seguintes provas
3264255 Ano: 2014
Disciplina: Engenharia Elétrica
Banca: UFPR
Orgão: UNILA

Com relação a instrumentos de medição, identifique as seguintes afirmativas como verdadeiras (V) ou falsas (F):

( ) Um osciloscópio digital é um aparelho que produz gráficos que representam o comportamento dos sinais elétricos exclusivamente no domínio da frequência.

( ) Para a medição de corrente com o amperímetro, é necessário conectá-lo em série com o sistema que se deseja medir.

( ) Os fasímetros são instrumentos destinados a medir o fator de potência de um circuito.

( ) Para realização de medições precisas, é esperado que um voltímetro possua uma resistência muito grande em comparação à resistência do circuito sendo medido.

Assinale a alternativa que apresenta a sequência correta, de cima para baixo.

 

Provas

Questão presente nas seguintes provas
3264254 Ano: 2014
Disciplina: Engenharia Elétrica
Banca: UFPR
Orgão: UNILA

A NBR 5410 (Instalações Elétricas de Baixa Tensão – Procedimentos) especifica que os condutores de eletricidade para instalações prediais serão diferenciados por cores. Avalie as afirmativas a seguir:

1. O condutor neutro deve ser azul-claro.

2. O condutor de retorno deve ser branco.

3. O condutor de fase deve ser vermelho.

4. O condutor de proteção (terra) deve ser verde ou verde-amarelo.

Assinale a alternativa correta.

 

Provas

Questão presente nas seguintes provas
3264253 Ano: 2014
Disciplina: Engenharia de Telecomunicações
Banca: UFPR
Orgão: UNILA

Considere as seguintes afirmações sobre as agências reguladoras e de normatização:

1. Uma das atribuições da ANATEL (Agência Nacional de Telecomunicações) é expedir normas e padrões a serem cumpridos pelas prestadoras de serviços de telecomunicações.

2. A IEEE (Institute of Electrical and Electronic Engineers) organiza grupos de trabalho que desenvolvem normas de sistemas comunicação, por exemplo, IEEE802.11.

3. A TIA (Telecommunication Industries Association) é uma associação industrial que trabalha na normatização em telecomunicações, por exemplo, EIA/TIA 568 para cabeamento estruturado.

4. O padrão de telefonia celular 3G (3rd Generation Partnership Project, 3GPP) é um padrão aberto desenvolvido pela ISO (International Standartization Organization).

Assinale a alternativa correta:

 

Provas

Questão presente nas seguintes provas
3264252 Ano: 2014
Disciplina: Engenharia de Telecomunicações
Banca: UFPR
Orgão: UNILA

Com relação à interligação entre centrais telefônicas, numere a 2ª coluna com base na informação da 1ª coluna.

1. Concentração.

2. TDM.

3. FDM.

4. Comutação.

5. Diversidade.

( ) Estratégia de transmissão por mais de um canal de comunicação para garantir a transmissão mesmo quando um dos canais falha.

( ) Troca de um circuito para outro, criando um caminho físico entre os dois lados da comunicação.

( ) Transporte de várias comunicações simultaneamente no mesmo meio físico através da alocação de diferentes canais de frequência para cada usuário.

( ) Transporte de várias comunicações simultaneamente no mesmo meio físico através da alocação de diferentes instantes de tempo de transmissão para cada usuário.

( ) Técnica aplicada para reduzir o número de conexões entre centrais.

Assinale a alternativa que apresenta a sequência correta na coluna da direita, de cima para baixo.

 

Provas

Questão presente nas seguintes provas