Foram encontradas 540 questões.
Um motor elétrico trifásico de corrente alternada, desenvolve uma potência ativa de 7 kW com fator de potência indutivo de 0,7. Então, a potência reativa deste motor é de:
Provas
Em um determinado circuito, os indutores L1, L2, L3 e L4 estão associados em série. O valor da indutância equivalente será calculado pela expressão:
Provas
Considere a associação de capacitores abaixo, onde C1 = C2 = C3 = 3 µF e C4 = 1 µF:

O valor da capacitância equivalente desta associação é:
Provas
Em uma instalação elétrica industrial alimentada por um sistema trifásico simétrico de corrente alternada, a tensão entre uma fase e o neutro é de 220 volts. O valor esperado para a tensão entre duas fases deste mesmo sistema será aproximadamente:
Provas
Em relação aos circuitos elétricos considere as seguintes afirmativas:
1. A lei de Ohm enuncia que a corrente elétrica em um circuito é inversamente proporcional à tensão e diretamente proporcional à resistência.
2. A primeira lei de Kirchhoff enuncia que o somatório das correntes elétricas que chegam a uma junção (ou nó) é igual ao somatório das correntes elétricas que saem desta mesma junção.
3. A segunda lei de Kirchhoff diz que num circuito fechado, o somatório das quedas de potencial é igual à tensão aplicada no circuito.
4. A lei de Joule enuncia que o calor produzido por uma corrente elétrica é diretamente proporcional à resistência do circuito e ao tempo durante o qual ocorre a passagem da corrente, mas é inversamente proporcional ao quadrado da corrente que atravessa o circuito.
Assinale a alternativa correta.
Provas
Utilizando a lei de Ohm, qual é o valor da resistência equivalente do circuito abaixo?

Provas
No circuito elétrico representado abaixo, R1 e R2 são resistores de \( 4 \ k\Omega \).

Em relação a esse circuito, é correto afirmar:
Provas
Ao aplicar-se um sinal de forma de onda senoidal na entrada de um circuito amplificador contendo dois transistores BJT e operando em classe B, é correto afirmar que:
Provas
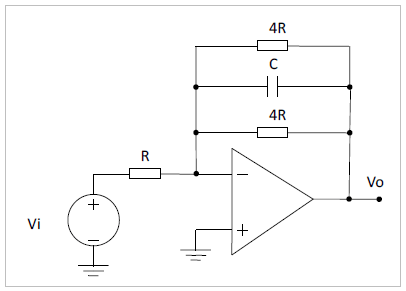
Considere o circuito elétrico abaixo.
Assumindo que o AMPOP seja ideal, assinale a alternativa que indica a frequência de corte do circuito apresentado:

Provas
Considere o circuito elétrico abaixo.

Assumindo que o AMPOP seja ideal, assinale a alternativa que apresenta a tensão Vx:
Provas
Caderno Container