Foram encontradas 685 questões.
São características da técnica de condicionamento de sinais:
Provas
Um sistema desequilibrado em estrela com condutor neutro possui as seguintes correntes de fase: \( 50 \angle 0° A \), \( 50 \angle 90° A \) e \( 50 \angle -90° \) A. Se a impedância do condutor neutro é de \( 0,20 \Omega \),o valor da queda de tensão do condutor neutro é
Provas
Uma parte de um sistema de controle é modelada pelo diagrama a seguir, em que E é a entrada e S é a saída. Considerando G= 1 / s e H = 1 / s2, a função de transferência para esta parte do sistema é

Provas
É comum em laboratórios de eletricidade a utilização da ponte de Wheatstone para medidas de resistências elétricas. Considere a ponte abaixo, em que os valores das resistências \( R1 = 10m \Omega \), \( R2 = 5m \Omega \), \( R3 = 20m \Omega \) e R4 é desconhecida. O valor da tensão Vi é ajustado de modo que a tensão Vo é nula. O valor da resistência R4 é

Provas
O circuito abaixo foi montado com o objetivo de determinar o fator de potência de uma máquina monofásica do laboratório de construção civil. As leituras obtidas foram: P = 10000 W, V= 440 V e I= 30 A. Com base na experiência realizada, é correto afirmar que o fator de potência desta carga é

Provas
Observe a figura abaixo.

Para o circuito mostrado, temos uma fonte senoidal de tensão eficaz \( 100 \ \surd 2 \) , uma resistência \( R = 1 \Omega \), uma indutância L=2 H e uma capacitância C =2 μ F. Para que este circuito entre em ressonância, a frequência de operação da fonte será aproximadamente de
Provas
De acordo com a NBR-5410, os circuitos que operam com extra baixa tensão classificados como SELV devem apresentar uma resistência de isolamento acima de \( 0,25M\Omega \). Com respeito ao ensaio para verificar esta isolação, é correto afirmar que as medições devem ser feitas com corrente
Provas
Uma fonte de tensão contínua de 12 V possui resistência interna de \( 0,1\Omega \). Quando a fonte alimenta uma carga de \( 0,9 \Omega \), o valor da potência perdida na fonte é
Provas
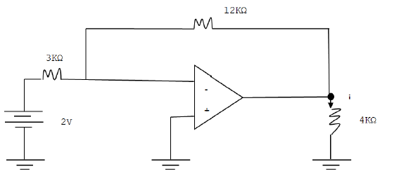
O valor da corrente na resistência de \( 4k\Omega \) no amplificador mostrado abaixo é

Provas
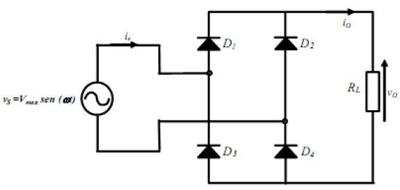
No circuito apresentado abaixo, a fonte de tensão alternada possui valor máximo de \( 10 \pi \) V. Considerando a fonte como ideal e os quatro diodos D1,D2,D3,e D4 também como ideais, a potência dissipada na resistência de carga RL de \( 1,00 \Omega \) é

Provas
Caderno Container