Foram encontradas 40 questões.
A videoconferência é uma solução de tecnologia que possibilita a comunicação entre duas ou mais pessoas situadas em locais diferentes, em tempo real, por meio de uma plataforma de software acessando uma conexão de internet, permitindo não apenas a transmissão bidirecional de áudio, mas também o visual entre as pessoas conectadas. Indique entre as alternativas aquela que apresenta um aplicativo voltado à videoconferência:
Provas
Considerando as noções básicas sobre telecomunicações, assinale a alternativa que apresenta apenas sistemas de telecomunicações.
Provas
Em sistemas de cabeamento estruturado, o nome do elemento que faz a conexão das portas de um switch aos conectores de um patch panel é:
Provas
O Wi-Fi é a tecnologia de comunicação sem fio mais utilizada atualmente, e se tornou o principal meio de acesso à Internet em todos os lugares do mundo. Essa tecnologia permite que uma grande variedade de dispositivos computacionais se conecte rapidamente à internet. O conjunto de protocolos que define a forma e a estrutura de uma rede WiFi é conhecido como:
Provas
Considere o modelo OSI, que tem natureza conceitual e é usado para entender e descrever as funcionalidades e interações entre os diferentes protocolos de rede em um sistema de comunicação de dados. Esse modelo é composto por:
Provas
O sistema telefônico A emprega a internet para a transmissão de voz, convertendo os sinais das chamadas em pacotes de dados. O sistema telefônico B depende de uma Rede Telefônica Pública Comutada (PSTN) para realizar as chamadas, além de exigir a instalação e passagem de cabos para conectar as linhas ou ramais aos aparelhos telefônicos e PABX. Os sistemas A e B referem-se, respectivamente, a:
Provas
Uma instalação elétrica industrial é alimentada pela rede primária de distribuição, em 13,8 kV. O transformador principal da instalação tem potência nominal de 750 kVA. Nessa configuração, pode-se afirmar que a proteção geral em média tensão da instalação é realizada por
Provas
Considere o circuito de comando elétrico mostrado na figura a seguir:

Sabendo que o circuito de comando pertence a uma chave de partida de um motor de indução trifásico, pode-se afirmar que se trata de uma chave de partida:
Provas
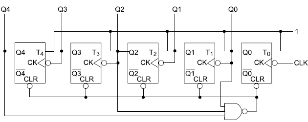
Considere o seguinte circuito digital sequencial:

O maior valor estável que esse circuito pode apresentar em sua saída corresponde, em valores decimais, a:
Provas
Considere o circuito lógico combinacional e sua respectiva Tabela-Verdade, mostrado na figura a seguir.

| A | B | C | Y |
| 0 | 0 | 0 | 0 |
| 0 | 0 | 1 | 0 |
| 0 | 1 | 0 | 1 |
| 0 | 1 | 1 | 0 |
| 1 | 0 | 0 | 1 |
| 1 | 0 | 1 | 1 |
| 1 | 1 | 0 | 0 |
| 1 | 1 | 1 | 0 |
A função FX corresponde a uma porta lógica do tipo:
Provas
Caderno Container