Foram encontradas 600 questões.
Em usinas termoelétricas são utilizadas turbinas a vapor para o acionamento dos geradores de energia. Na figura a seguir, são mostradas as condições da entrada do vapor e da saída da mistura líquido-vapor de uma turbina.

(Arquivo pessoal; imagem usada com autorização.)
Para essas condições, determine a potência gerada pela turbina.
Provas
Rotâmetros são dispositivos utilizados para medir
Provas
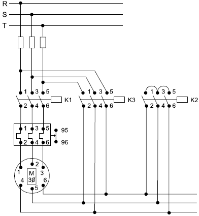
Motores elétricos trifásicos muitas vezes têm chaves comutadoras que trocam o tipo de ligação do motor à rede elétrica de estrela para triângulo, tal como mostrado na figura a seguir.

(Arquivo pessoal; imagem usada com autorização.)
A finalidade dessa troca do tipo de ligação é
Provas
Para aumentar a capacidade de levantamento de cargas, muitas vezes utiliza-se o macaco hidráulico. Na figura a seguir, está esquematizado um macaco hidráulico com acionamento por alavanca.

(Arquivo pessoal; imagem usada com autorização.)
Sabendo-se que o operador pode fazer no máximo uma força igual a 500 N, qual a máxima capacidade de levantamento desse macaco?
Provas
O decibel é uma unidade de medida relativa e adimensional muito utilizada para medir pressão sonora e equivale a décima parte de um Bel. A pressão sonora pode ser expressa em decibéis de acordo com a relação:
\( P_{dB} = 10.log_{10} \left( { \large P \over P_0} \right) \)
Em que P é a pressão sonora medida e P0 é a pressão sonora de referência.
Uma pressão de 20 dB é quantas vezes maior que uma de 10 dB?
Provas
Diodos são componentes muito utilizados nos circuitos eletrônicos e podem desempenhar diferentes funções.

(Arquivo pessoal; imagem usada com autorização.)
No circuito a seguir, a finalidade dos diodos é
Provas
Um cuidado que se deve ter nas instalações de bombeamento é a instalação de uma válvula na extremidade da tubulação vertical de sucção da bomba, quando a bomba está instalada a montante, chamada válvula de pé com crivo. A finalidade dessa válvula é
Provas
Os transistores são dispositivos semicondutores fundamentais na eletrônica moderna, com aplicação em muitos aparelhos utilizados para medição e controle. Com relação aos transistores BJT, é correto afirmar que
Provas
Uma máquina operatriz trabalha com um motor elétrico com rotação de 1 600 rpm e 2 kW de potência. No eixo desse motor está ligada uma engrenagem, com raio de 50 mm, que transmite a rotação para um segundo eixo por uma engrenagem com raio de 200 mm.

(Arquivo pessoal; imagem usada com autorização.)
Determine qual o torque e a rotação do segundo eixo. (Adote π = 3. Despreze as perdas do sistema.)
Provas
Um motor elétrico operando em corrente alternada tem sua potência dividida em três partes, a ativa, a reativa e a aparente. Se um motor elétrico tem uma potência ativa igual a 6 kW e uma reativa igual a 3 kVAr, qual o valor da potência aparente desse motor?
Provas
Caderno Container