Foram encontradas 1.085 questões.
Um reservatório de água cilíndrico possui 4 m de diâmetro interno, e, quando está cheio o nível de líquido, atinge 6 m a partir de seu fundo plano. Devido a um vazamento próximo à base, o reservatório necessitou ser esgotado completamente para realização de reparo com solda. Após a manutenção corretiva, o reservatório foi parcialmente preenchido com água até um nível de 1,0 m para efeito de testes. Para completar o nível máximo do tanque, é utilizada uma bomba centrífuga que possui vazão volumétrica de 12 m3/h.
Com base nas informações apresentadas, em quanto tempo o reservatório será enchido completamente?
Dados: Considerar π = 3
Provas
Em sistemas de ar comprimido, é muito comum a utilização de acumuladores de ar em alta pressão antes dos encaminhamentos das tubulações até os consumidores. Considerando que um vaso de pressão de um sistema de ar comprimido possui um volume interno de 100 L, e que seu interior está preenchido com ar seco – que se comporta como um gás ideal – com pressão absoluta de 13,5 bar a uma temperatura de 27 ºC, qual é a massa (m) e a densidade (p), respectivamente, do ar no interior desse vaso?
Dados : \( m = \dfrac{PV}{RT}; / ρ = \dfrac{m}{V}; \) adotar R = 300 J/(kg . K), 0ºC= 273K; 1 bar = 105 Pa
Provas
Após passar por um processo de usinagem, o componente interno de uma válvula de controle de fluxo – aplicada em equipamentos hospitalares – foi medida utilizando-se um micrômetro. Uma das medidas realizadas pelo operador é representada na figura a seguir.

(Arquivo pessoal; imagem usada com autorização)
Com base na leitura representada na figura (ver linhas coincidentes destacadas), assinale a alternativa correta.
Provas
Durante o procedimento de calibração de um paquímetro, em um laboratório de metrologia com temperatura controlada, o técnico realizou uma medição em um bloco padrão cujas medidas de referência e a de leitura do paquímetro (linhas coincidentes destacadas) são demonstradas na figura.

(Arquivo pessoal; imagem usada com autorização)
Com base na leitura efetuada com o instrumento e considerando a referência indicada na medida do bloco padrão, é correto afirmar que
Provas
A utilização de instrumentos de medição é essencial em processos de fabricação e manutenção. Dependendo do objeto a ser medido e de suas características dimensionais, o instrumento a ser utilizado deve ser capaz de realizar uma medição mínima, sendo que a este menor valor de medição, segundo o Vocabulário Internacional de Metrologia (VIM), é atribuído o termo
Provas
O protocolo Multiplex Digital DMX é usado na indústria de teatros e eventos para controlar equipamentos de iluminação em dispositivos de efeitos especiais. O DMX está sendo cada vez mais usado em prédios comerciais para aplicações incluindo controle RGB, cor e temperatura da luz.
A interface elétrica utilizada pelo sistema DMX emprega o padrão
Provas
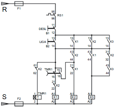
Considere o seguinte circuito de comando elétrico.

Trata-se do circuito de comando de uma chave de partida
Provas
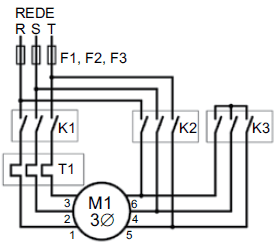
Considere o circuito de comando elétrico mostrado na figura a seguir.

Conforme a simbologia utilizada em comandos elétricos, o elemento referenciado em 1 é um contato
Provas
As categorias de emprego para contatores em corrente alternada determinam os valores de corrente que o contator deve estabelecer ou interromper e dependem da natureza do receptor controlado (motor de gaiola ou de anéis, resistências) e das condições nas quais se efetuam os fechamentos e as aberturas (motor em regime ou bloqueado ou em partida, inversão do sentido de rotação, frenagem por contracorrente).
Um contator com categoria de emprego AC3 refere-se às seguintes condições de utilização:
Provas
Um motor de indução trifásico de 6 terminais, com tensão nominal de 220/380 V, corrente nominal 45/26 A e fator de serviço igual a 1,15, opera acionado por uma chave de partida automática do tipo estrela-triângulo. O circuito de força da chave estrela-triângulo automática é mostrado na figura a seguir.

Nessas condições, o valor da corrente de ajuste do relé de sobrecarga será aproximadamente igual a:
Provas
Caderno Container