Foram encontradas 1.460 questões.
Rolamentos são elementos de máquinas utilizados nos sistemas mecânicos que apresentam movimento de rotação. Os rolamentos muitas vezes precisam ser combinados em arranjos específicos para atender as necessidades do equipamento. Na figura é mostrado um arranjo típico de montagem dos rolamentos.

Esse arranjo é conhecido como arranjo
Provas
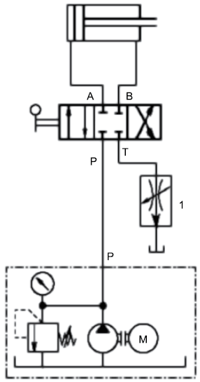
Circuitos hidráulicos são muito utilizados em equipamentos industriais. Estes circuitos são formados por uma série de componentes, entre eles as válvulas que são utilizadas para controle de movimentação dos atuadores e para controle de pressão do sistema. No circuito a seguir a função da válvula indicada pelo número 1 é controlar a

Provas
A medida mostrada no micrômetro da figura vale

Provas
As bombas hidráulicas são equipamentos muito importantes nas instalações industriais. Elas são responsáveis pelo recalque de fluidos que são utilizados nos processos presentes nessas instalações. Essas bombas podem ser divididas em dois grandes grupos – as bombas de deslocamento positivo (hidrostáticas) e as bombas de deslocamento não-positivo (hidrodinâmicas). As bombas de deslocamento positivo são indicadas para deslocamento de
Provas
Os aços são ligas formadas basicamente por ferro e carbono, às quais, eventualmente, são adicionados elementos de liga para melhorar suas propriedades. Uma característica importante dos aços é que eles podem ser tratados termicamente, ou seja, processos de aquecimento e posterior resfriamento com taxa controlada podem alterar as propriedades mecânicas dessas ligas, deixando-as mais resistentes ou recuperando suas propriedades dúcteis. Entre esses tratamentos térmicos estão a têmpera e o revenimento. Com relação à têmpera e ao revenimento, é correto afirmar que
Provas
O correto dimensionamento dos componentes mecânicos de um sistema é uma etapa muito importante no desenvolvimento dos projetos dos equipamentos. No dimensionamento deve ser calculada qual é a maior tensão que atua sobre o componente, e essa tensão deve ser comparada com a tensão limite de escoamento do material para que seja calculado o coeficiente de segurança da peça. Sabendo-se que o material apresenta uma tensão de escoamento de 450 MPa e que o momento de inércia da secção vale 15 000 mm4, qual é o coeficiente de segurança do componente mostrado na figura a seguir?
!$ \sigma = \dfrac M l y !$

Provas
Na figura a seguir estão representadas duas projeções em primeiro diedro de uma peça.

Assinale a alternativa que corresponde à terceira projeção da peça.
Provas
Para evitar vazamento de fluidos gasosos pela folga em um acoplamento eixo-cubo de uma máquina, deve-se utilizar a vedação do tipo
Provas
Na soldagem com oxi-acetileno, quando há apresentação de uma chama do tipo oxidante de som silibante, significa que está ocorrendo
Provas
Quando na soldagem com eletrodos revestidos ocorrer o superaquecimento dos eletrodos, deve-se
Provas
Caderno Container