Foram encontradas 1.215 questões.
Provas
Sobre a elaboração e interpretação de desenhos técnicos, leia as afirmativas abaixo:
I. Em um desenho de montagem com corte total, é recomendado que as hachuras de peças adjacentes com mesmo material possuam a mesma orientação das linhas da hachura e mesmo espaçamento.
II. Uma escala igual a 20:1, aplicada em um desenho técnico de um componente mecânico, indica uma escala de ampliação, em que o desenho representa o elemento real ampliado em 20 vezes.
III. Para realizar a cotagem de uma determinada dimensão em um desenho técnico, devem ser empregadas linhas grossas tracejadas às linhas de extensão e linhas estreitas contínuas às linhas de dimensão.
Ao analisar as afirmativas acima, é correto afirmar que
Provas
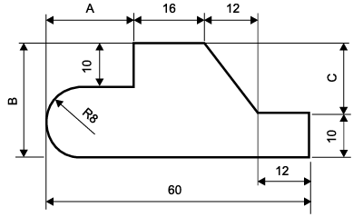
A interpretação de desenhos técnicos por parte de operadores de máquinas operatrizes é fundamental para possibilitar a fabricação de peças usinadas, por exemplo.
Analise o desenho técnico representado na figura a seguir:

Assinale a alternativa que fornece os valores corretos para as cotas faltantes A, B e C.
Provas
Provas
Considere dois sistemas de transmissão mecânica, cujos dados são fornecidos na tabela a seguir:

Com base nos dados da tabela, qual será o sentido e a velocidade de rotação do eixo de saída para ambos os sistemas de transmissão?
Formulário: ![]()
Provas
Provas
Provas
Observe a imagem a seguir:
Considerando a tarefa a ser realizada, em qual modo de operação a furadeira deverá estar configurada e qual das 3 brocas indicadas na figura o operador deverá utilizar?
Provas
Provas
Um operador de máquinas operatrizes está analisando o seguinte trecho de código em uma programação CNC para torno:
G00 X50 Z10
G01 X0 Z0 F0.2
M05
Com base nos comandos apresentados, assinale a alternativa que apresenta a interpretação correta dessas instruções.
Provas
Caderno Container