Foram encontradas 60 questões.
A figura seguinte ilustra uma partícula q, carregada positivamente, lançada com velocidade !$ \vec{v} !$ perpendicularmente às linhas do campo magnético uniforme !$ \vec{B} !$ , que penetra no plano da folha de papel com sentido e direção mostrados na figura.

Considerando as informações e a figura apresentadas anteriormente, julgue o item seguinte.
A direção e o sentido da força magnética !$ \vec{F} !$ que atua na partícula estão corretamente representados na figura a seguir.

Provas
Em um parque de diversões, para descer de uma altura H igual a 5 m, as crianças têm as opções mostradas na figura a seguir.

Considerando a aceleração da gravidade igual a 10 m/s2 e desprezando todas as forças externas que atuam em todas as situações, inclusive a força de atrito, julgue o item que se segue.
Uma criança de 30 kg que descer pela rampa, partindo do repouso, chegará ao solo com uma velocidade superior a 9 m/s.
Provas
Em um parque de diversões, para descer de uma altura H igual a 5 m, as crianças têm as opções mostradas na figura a seguir.

Considerando a aceleração da gravidade igual a 10 m/s2 e desprezando todas as forças externas que atuam em todas as situações, inclusive a força de atrito, julgue o item que se segue.
A criança ilustrada na figura precedente realiza um trabalho maior na opção III, devido ao seu peso.
Provas
Uma caneca termicamente isolada e de capacidade térmica desprezível contém 400 g de café coado a uma temperatura de 80 °C. Foram colocados nessa caneca 60 g de gelo a 0 °C, conforme a ilustração a seguir.

Considerando que o calor específico do café coado seja igual a 1,0 cal/g °C, que o calor latente de fusão do gelo seja igual a 80 cal/g e que o calor específico da água seja igual a 1,0 cal/g °C, julgue o seguinte item.
A temperatura final de equilíbrio é inferior a 60 °C.
Provas
Em uma manifestação pelos direitos humanos, um estudante segurava o cartaz mostrado na figura a seguir.

Considerando esse cartaz e as propriedades de reflexão em espelhos, julgue o próximo item.
Se o estudante, segurando o cartaz, se colocasse em frente de um espelho plano vertical, veria a seguinte imagem.

Provas
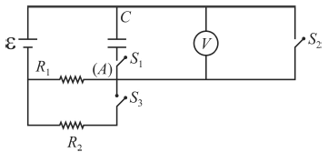
O circuito seguinte é constituído de uma fonte com força eletromotriz ε = 20 V, dois resistores R1 = R2 = 100 Ω, um capacitor C, um voltímetro V, um amperímetro A e três chaves — S1, S2 e S3.

Considerando que todos os elementos do circuito sejam ideais, julgue o item que se segue.
Se as chaves S1, S2 e S3 forem fechadas e o capacitor estiver totalmente carregado, a corrente registrada pelo amperímetro será igual a zero.
Provas
O circuito seguinte é constituído de uma fonte com força eletromotriz ε = 20 V, dois resistores R1 = R2 = 100 Ω, um capacitor C, um voltímetro V, um amperímetro A e três chaves — S1, S2 e S3.

Considerando que todos os elementos do circuito sejam ideais, julgue o item que se segue.
Caso a chave S2 seja fechada e as demais chaves sejam mantidas abertas, o voltímetro registrará uma diferença de potencial igual a zero.
Provas
Uma massa de gás ideal, inicialmente nas condições normais de temperatura e pressão, foi submetida às seguintes transformações:
a) expansão isotérmica com aumento de volume;
b) aquecimento isovolumétrico até que a pressão atingisse seu valor inicial;
c) esfriamento isobárico até o gás retornar ao estado inicial.
A respeito dessa situação, julgue o próximo item.
O diagrama a seguir representa o processo cíclico a que esse gás foi submetido.

Provas

Internet: <www.wikipedia.org>.
Quando as gotas de chuva impactam o solo, bolhas de ar são formadas, aprisionando partículas e substâncias presentes no solo. Quando essas bolhas efervescem, essas substâncias são liberadas no ar, proporcionando o cheiro de terra molhada. A principal substância responsável pelo cheiro de terra molhada é a geosmina, produzida pela inofensiva bactéria Streptomyces coelicolor, que vive em quase todos os tipos de solo. A figura a seguir ilustra uma molécula de geosmina.

A partir dessas informações, julgue o item que se segue.
A oxidação do grupo alcóolico da geosmina pelo permanganato de potássio leva à formação de um ácido carboxílico na mesma posição da hidroxila.
Provas

Internet: <www.wikipedia.org>.
Quando as gotas de chuva impactam o solo, bolhas de ar são formadas, aprisionando partículas e substâncias presentes no solo. Quando essas bolhas efervescem, essas substâncias são liberadas no ar, proporcionando o cheiro de terra molhada. A principal substância responsável pelo cheiro de terra molhada é a geosmina, produzida pela inofensiva bactéria Streptomyces coelicolor, que vive em quase todos os tipos de solo. A figura a seguir ilustra uma molécula de geosmina.

A partir dessas informações, julgue o item que se segue.
Na combustão completa de 1 mol de geosmina, para formar apenas gás carbônico e água, o número de moléculas de água formadas é maior que o número de moléculas de CO2 formadas.
Provas
Caderno Container