Foram encontradas 40 questões.
Disciplina: Segurança e Saúde no Trabalho (SST)
Banca: FUNDEP
Orgão: UFVJM
A NR-10 (Norma Regulamentadora 10) e a NR-33 (Norma Regulamentadora 33) são normas de segurança relacionadas a áreas específicas de atuação. Embora ambas tenham como objetivo garantir a segurança dos trabalhadores, existem diferenças significativas entre elas.
Assinale a alternativa que apresenta conceitos corretos relacionados à NR-10 e à NR-33.
Provas
A manutenção é um aspecto essencial na área de Engenharia, visando a garantir o bom funcionamento e a vida útil de equipamentos, máquinas e estruturas.
Assinale a alternativa que descreve corretamente o tipo de manutenção conhecido como “manutenção preventiva”.
Provas
A Engenharia Econômica é uma disciplina fundamental para a tomada de decisões em projetos e investimentos, envolvendo análises financeiras e avaliação de viabilidade econômica.
Assinale a alternativa que conceitua corretamente Valor Presente Líquido (VPL) em Engenharia Econômica.
Provas
A medição de pressão é de extrema importância em diversas áreas, como engenharia, indústria e saúde, pois permite monitorar e controlar processos, garantir a segurança e a eficiência de sistemas e realizar diagnósticos precisos.
Assinale a alternativa que apresenta corretamente um medidor de pressão.
Provas
Os sensores de temperatura são dispositivos fundamentais em aplicações críticas, como a indústria nuclear e a aeroespacial.
Considerando a importância de sua precisão, assinale a alternativa que descreve corretamente o funcionamento de um termopar.
Provas
Os sistemas digitais são de extrema importância na atualidade, visto que permitem o processamento e armazenamento eficiente de informações, tornando possível a realização de diversas tarefas de forma rápida, precisa e automatizada.
Assinale a alternativa que apresenta corretamente a representação binária para o número decimal 691.
Provas
Inversores de frequência desempenham um papel crucial em sistemas de acionamentos, oferecendo controle preciso de motores elétricos. Assinale a alternativa que apresenta corretamente o efeito de se aumentar a frequência de operação em um motor controlado por um inversor de frequência.
Provas
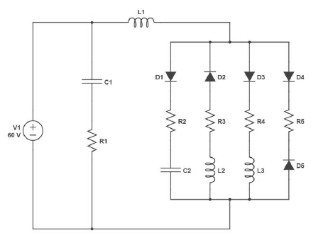
No contexto de um circuito elétrico, a interação dos componentes regula grandezas fundamentais como corrente, tensão e potência, moldando assim o desempenho e a eficiência do sistema. Para o circuito a seguir, considere que as cargas resistivas representam lâmpadas de 12 V / 60 W, e os indutores, capacitores e diodos podem ser considerados como ideais.

Assinale a alternativa que apresenta o status correto das lâmpadas em regime permanente.
Provas
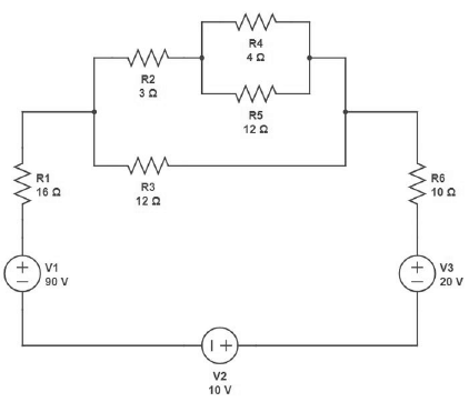
O circuito apresentado na figura a seguir é composto por três fontes de tensão CC e seis resistores.

Assinale a alternativa que apresenta corretamente a corrente no resistor R6 em ampères e a potência total consumida pelos resistores R2, R3, R4 e R5 em watts.
Provas
Na indústria moderna, a eficiência na conversão de energia desempenha um papel crucial. Os motores elétricos são dispositivos essenciais nesse contexto.
Assinale a alternativa que apresenta corretamente um desafio para a otimização da eficiência de um motor elétrico.
Provas
Caderno Container