Foram encontradas 40 questões.
Observe o circuito a seguir.

Marque a alternativa que apresenta CORRETAMENTE a caracterização do circuito acima:
Provas
Observe o modelo de FET a seguir.

Considerando o modelo acima para pequenos sinais, no qual gm é a transcondutância e rd é a impedância de saída do FET, o circuito apresenta um ganho de tensão CA igual a:
Provas
A figura a seguir mostra um regulador zener com carga.

Considerando a potência máxima nominal do zener de PZM=100mW e a tensão de ruptura de VZ=10V, é CORRETO afirmar que:
Provas
NÃO é uma vantagem dos filtros ativos em relação aos filtros passivos:
Provas

A frequência de corte do filtro do circuito acima é de aproximadamente:
Provas
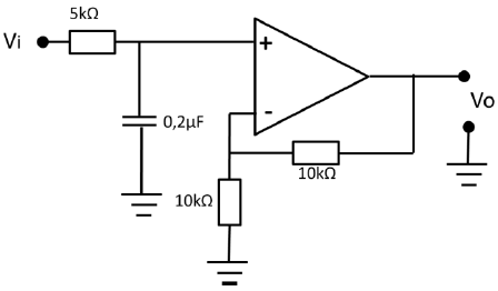
As questões 35 e 36 referem-se à figura a seguir, a qual apresenta um determinado circuito.

Marque a alternativa que apresenta CORRETAMENTE o tipo do filtro apresentado no circuito acima:
Provas
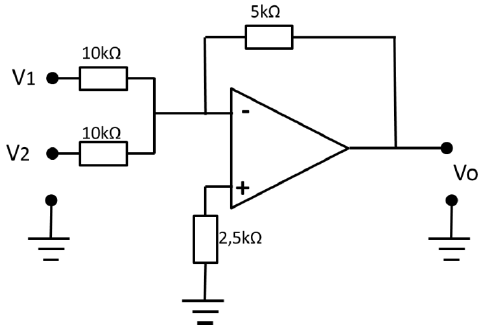
Observe o circuito eletrônico com amplificador operacional abaixo.

Considerando que a tensão V1 é 10V e a tensão V2 é 5V, o valor de Vo será:
Provas
Observe o circuito a seguir, no qual um voltímetro analógico de corrente contínua é utilizado para medir a tensão de uma resistência.

Considere que o voltímetro está na escala de 20V, tendo resistência interna de 10 kΩ. Nessa situação, a leitura do voltímetro apresentará como resultado:
Provas
Marque a alternativa que apresenta CORRETAMENTE a função do capacitor de acoplamento em um amplificador:
Provas
Com relação ao diodo, é CORRETO afirmar que ele está polarizado diretamente quando:
Provas
Caderno Container