Foram encontradas 40 questões.
A figura abaixo mostra o diodo zener (VZ) de 4,7V.

É CORRETO afirmar que, nesse caso, a tensão no resistor RL será:
Provas
A figura a seguir mostra um circuito de um resistor em série com um diodo ideal.

Sobre o circuito acima, é CORRETO afirmar:
Provas
A figura abaixo mostra um circuito composto por diodos.

Considerando o diodo de silício com queda de 0,7V, o LED com queda de 2V e o diodo zener (VZ) de 6V, a tensão no resistor de 1 kΩ é:
Provas
Considere o diagrama em bloco abaixo, que representa um transmissor comercial de AM-DSB (modulação em amplitude com banda lateral dupla) encontrado em emissoras de rádio. A seguir, atribua V para a(s) afirmativa(s) verdadeira(s) e F para as falsas:

( ) O amplificador de potência de áudio torna o nível de saída do pré-amplificador de áudio compatível com o nível de entrada do circuito modulador.
( ) Os dois elementos básicos para gerar o sinal modulado são: um sinal senoidal de alta frequência e pequena amplitude, gerado no oscilador, e um sinal de áudio de informação, captado pelo microfone.
( ) O amplificador de potência de radiofrequência (RF) estará sintonizado na frequência da portadora e entregará à antena uma potência bastante elevada.
Assinale a sequência CORRETA:
Provas
É CORRETO afirmar que os conceitos “é a menor subdivisão na variável que a escala comporta (analógica)” e “é a diferença absoluta entre o valor verdadeiro (padrão) e o valor medido” referem-se, respectivamente, a:
Provas
Observe a figura a seguir.

O circuito representado acima pode ser utilizado como:
Provas
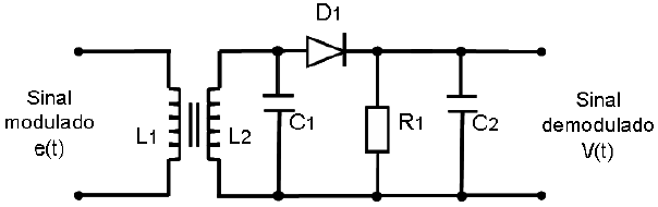
A figura abaixo mostra um circuito demodulador, responsável por recuperar um sinal de informação a partir de um sinal modulado recebido da antena.

É CORRETO afirmar que a figura acima representa o demodulador em:
Provas
Considere as afirmativas abaixo, sobre os procedimentos utilizados pelo técnico para pesquisar falhas em circuitos e sistemas com amplificadores operacionais, atribuindo V para a(s) verdadeira(s) e F para a(s) falsa(s):
( ) Conferir a polaridade da alimentação.
( ) Se o amplificador operacional estiver aquecendo, investigar se a saída está aberta ou se a carga tem um valor ôhmico muito alto.
( ) Se a saída de um amplificador inversor ou não inversor estiver saturada, averiguar se a malha de realimentação está aberta.
( ) Verificar se o terra do sinal de entrada é o mesmo do amplificador operacional.
Assinale a sequência CORRETA:
Provas
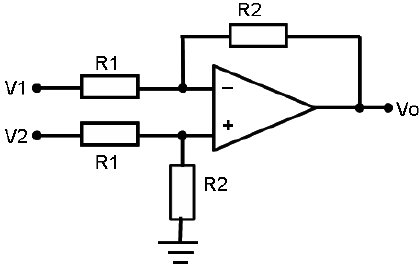
A figura a seguir mostra um amplificador operacional linear ideal.

Marque a alternativa que apresenta CORRETAMENTE o valor analítico de VO:
Provas
Um conversor digital para analógico (DAC) de 4 bits produz uma tensão de saída de 1V quando a entrada digital é 0100. Alterando-se essa entrada digital para 1100, a saída analógica será de:
Provas
Caderno Container