Foram encontradas 220 questões.
Uma pessoa foi responsável por levantar a curva de um sensor strain gage, que relaciona a força aplicada à resistência elétrica. Essas informações foram colocadas em uma tabela para que um gráfico fosse gerado de forma a descobrir a equação que rege esse sensor. Considerando o pacote MS Excel, a opção CORRETA de gráfico a ser usado é:
Provas
Tendo como base o pacote MS Office da Microsoft, assinale a alternativa em que a função NÃO está relacionada de forma CORRETA ao seu respectivo pacote:
Provas
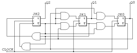
Observe a figura abaixo que representa um contador síncrono.

Considerando todas as condições iniciais nulas, é CORRETO afirmar que a sequência de contagem do circuito contador síncrono é:
Provas
Observe o circuito com transistor TBJ mostrado na figura abaixo.

Sobre este circuito, é CORRETO afirmar que:
Provas
O diagrama abaixo representa uma unidade do tipo UPS (Uninterrupted Power Supply).

É CORRETO afirmar que o bloco em branco no diagrama se refere:
Provas
Observe o circuito mostrado na figura abaixo e analise as afirmativas a seguir.

I. O circuito mostrado trata-se de um retificador de onda-completa controlado.
II. A carga desse retificador é do tipo RL, o que pode ocasionar uma tensão negativa na carga dependendo da relação L/R.
III. Durante o semiciclo positivo haverá dois tiristores conduzindo TR1 e TR3.
É CORRETO o que se afirma em:
Provas
Assinale a afirmativa INCORRETA com relação às atividades de manutenção eletrônica em laboratório:
Provas
As fontes de alimentação são os dispositivos mais encontrados nos equipamentos eletrônicos. Assinale a afirmativa INCORRETA em relação à sua constituição e estrutura:
Provas
Quanto à aplicação dos circuitos retificadores não controlados, é CORRETO afirmar que:
Provas
Em relação à constituição do diodo de sinal, assinale a afirmativa INCORRETA:
Provas
Caderno Container