Foram encontradas 25 questões.
Uma instalação elétrica possui um alimentador monofásico operando com tensão de 127 V interligando o Medidor de kWh ao Quadro de Distribuição, conforme esquema abaixo.

As cargas são atendidas por ramais monofásicos que partem do Quadro de Distribuição. Considerando que a queda de tensão admissível no Quadro de Distribuição seja de 1% e de 2% para os ramais monofásicos, o dimensionamento dos fios condutores apropriados foi feito aplicando a tabela a seguir.
| Seção transversal do condutor [mm2] | Soma das Potências x Distâncias [W.m] | |
| Queda de Tensão = 1% | Queda de Tensão = 2% | |
| 1,5 | 5200 | 10000 |
| 2,5 | 8700 | 17500 |
| 4,0 | 14000 | 28000 |
| 6,0 | 21000 | 42000 |
| 10,0 | 35000 | 70000 |
| 16,0 | 56000 | 112000 |
| 25,0 | 88000 | 175500 |
Considere as afirmativas abaixo, após dimensionamento dos fios condutores:
I. O fio condutor do ramal 1 deve ser de 1,5 mm2.
II. O fio condutor do ramal 1 deve ser de 2,5 mm2.
III. O fio condutor do ramal 1 deve ser de 4,0 mm2.
IV. O fio condutor do ramal 2 deve ser de 1,5 mm2.
V. O fio condutor do ramal 2 deve ser de 2,5 mm2.
VI. O fio condutor do ramal 2 deve ser de 4,0 mm2.
VII. O fio condutor do alimentador deve ser de 10,0 mm2.
VIII. O fio condutor do alimentador deve ser de 16,0 mm2.
Está CORRETO o que se afirma apenas em:
Provas
Dois circuitos trifásicos possuem cargas trifásicas equilibradas e são alimentados por uma fonte trifásica simétrica, conforme esquema a seguir.

Considerando a situação em que as potências solicitadas pelas cargas nos dois circuitos sejam iguais, assinale a alternativa que apresenta CORRETAMENTE o valor de VY:
Provas
No Brasil, o atendimento da demanda dos principais centros consumidores é prioridade para o setor energético. Desta maneira, existem comunidades isoladas desprovidas de qualquer tipo de serviço energético. Muitas delas não dispõem de energia elétrica para o atendimento das suas necessidades mais elementares como, por exemplo, a iluminação.
A esse respeito é CORRETO afirmar que:
Provas
Seja o diagrama unifilar de um sistema de potência sem carga.

Dados:
- Gerador 01: 20.000 kVA; 6,9 kV; x" = 18 %.
- Gerador 02: 10.000 kVA; 6,9 kV; x" = 18 %.
- Gerador 03: 30.000 kVA; 13,8 kV; x" = 18 %.
- Transformador T1: 30.000 kVA; 6,9Δ - 115Y kV; x" = 10%.
- Transformadores T2 e T3: 20.000 kVA; 6,9Δ-115Y kV; x" =10%.
Considerando como bases no setor 01 30.000 kVA e 6,9 kV, as impedâncias em p.u. do Gerador 01 e do Transformador T1, são respectivamente iguais a:
Provas
Uma linha de transmissão ideal de comprimento L é representada abaixo.

A corrente de curto-circuito trifásico no local indicado na linha é:
Provas
Para a aplicação de um CLP em um sistema de automação industrial, considere as seguintes afirmativas:
I. As quantidades de entradas e saídas analógicas devem ser determinadas para especificar a CPU.
II. As quantidades de entradas e saídas digitais devem ser determinadas para especificar a CPU.
III. Para a determinação do CLP nas aplicações a tensão de comando dos contatores de acionamento das cargas é relevante.
IV. Para separar o sinal de campo dos cartões de entrada digital ou saída digital do CLP, deve-se utilizar bornes relés.
V. Quando da aquisição do CLP não é necessário especificar o protocolo de comunicação.
Está CORRETO o que se afirma apenas em:
Provas
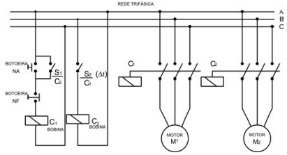
Seja o sistema de comando para acionamento de motores conforme o esquema simplificado a seguir.

Sabe-se que a chave S2 possui um retardo de Δt segundos para mudar de estado. Nessas condições, é CORRETO afirmar que:
Provas
Para a partida de motores trifásicos de certa potência, utiliza-se a chave estrela-triângulo devido ao seu custo reduzido e praticidade. A aplicação desta chave pode reduzir a corrente de partida:
Provas
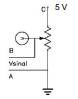
O circuito abaixo representa um sistema utilizado em automação para controle de posição onde um potenciômetro linear de 100 KΩ de resistência total recebe a informação da posição de giro de uma polia. Sabe-se que o ângulo de giro do potenciômetro é de 270º e que os valores mínimo e máximo de resistência entre os pontos A e B são 1 KΩ e 99 KΩ, respectivamente. Quando o ângulo de giro da polia é 0°, a tensão de saída entre os pontos A e B tem o valor mínimo e quando o ângulo de giro da polia é 270°, a tensão de saída entre os pontos A e B tem o valor máximo.

O valor da tensão de saída entre os pontos A e B, quando o ângulo de giro da polia é de 30º, é:
Provas
Atendendo à Norma Regulamentadora 10 (NR 10) – Segurança em Instalações e Serviços em Eletricidade – considere as afirmativas a seguir:
I. O projeto deve definir a configuração do esquema de aterramento, a obrigatoriedade da interligação entre o condutor neutro e o de proteção sem a necessidade de conexão à terra das partes condutoras não destinadas à condução da eletricidade.
II. As medidas de proteção coletiva compreendem, prioritariamente, a desenergização elétrica ou, na sua impossibilidade, o emprego de tensão de segurança.
III. Nos trabalhos em instalações elétricas, quando as medidas de proteção coletiva forem tecnicamente inviáveis ou insuficientes para controlar os riscos, devem ser adotados equipamentos de proteção individual específicos e adequados às atividades desenvolvidas.
Está CORRETO o que se afirma apenas em:
Provas
Caderno Container