Foram encontradas 50 questões.
O Sistema de Manutenção Planejada – SMP – está contido no escopo da manutenção preventiva.
Dentre os documentos básicos para a operação de um SMP, encontra – se
Provas
Analise os símbolos utilizados para válvulas de controle e atuadores, numerando a COLUNA II de acordo com a COLUNA I, relacionando cada símbolo com à sua correta descrição.
COLUNA I

COLUNA II
( ) Válvula borboleta.
( ) Válvula com atuador a diafragma e posicionador.
( )Válvula de controle com atuador pneumático.
( )Válvula ângulo (angular).
( ) Atuador manual.
Assinale a sequência CORRETA.
Provas
Analise a figura que apresenta um diagrama de controle de processo em que se encontra em destaque o ATUADOR.

Com relação a esse dispositivo, está CORRETO afirmar que ele
Provas
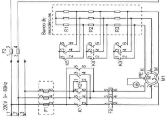
Analise o esquema de acionamento de um motor a seguir.


Com relação a esse esquema, está CORRETO afirmar que
Provas
No desenvolvimento de um projeto de acionamento elétrico de máquinas e equipamentos encontra-se a etapa da especificação dos componentes desse projeto.
Ao especificar um contator, NÃO se considera o seguinte parâmetro:
Provas
Os transformadores são designados por um conjunto de letras quanto ao tipo de resfriamento.
Assim, a designação OFWF define um transformador a
Provas
Dentre as técnicas usadas para a manutenção de equipamentos industriais encontra-se a preditiva.
Nesse caso, nas técnicas de monitoramento preditivo NÃO se inclui
Provas
Analise o esquema unifilar a seguir .

Com relação a esse esquema, está CORRETO afirmar que se trata da instalação de um
Provas
Analise o esquema de aterramento de sistemas elétricos trifásicos previstos na NBR 5410/2004 a seguir.

Nesse caso, tem-se o esquema
Provas
Analise as afirmativas relacionadas aos inversores de frequência, assinalando com V as afirmativas verdadeiras e com F as falsas.
( ) Compromete o torque em baixa velocidade devido à parametrização prefixada quando trabalha no modo escalar.
( ) Exige uma redução na potência fornecida pelo motor em função da retirada de calor quando opera abaixo de 50% da rotação nominal.
( ) Possibilita o emprego de motores trifásicos de indução em situações em que é necessário um torque considerável em baixa velocidade.
( ) Opera manipulando o parâmetro frequência admitindo ajustes a partir da frequência nominal da rede de fornecimento.
( ) Fixa os valores da tensão, da corrente e do tempo de aceleração para realizar o controle da velocidade do motor.
Assinale a sequência CORRETA.
Provas
Caderno Container