Foram encontradas 510 questões.
De acordo com a NR 10 – Segurança em Instalações e Serviços em Eletricidade, é considerada Alta Tensão a tensão superior a
Provas
A respeito da NR 10 – Segurança em Instalações e Serviços em Eletricidade, é INCORRETO afirmar que
Provas
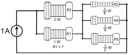
O circuito da figura seguinte mostra a associação de cinco resistores com capacidades de dissipação térmicas diferentes. Sob cada um dos resistores, estão indicadas as respectivas potências dissipadas quando esse circuito é alimentado por uma fonte de corrente de 1A.

Com base nessas informações, é CORRETO afirmar que o valor da resistência do resistor R1 é igual a
Provas
Buscando avaliar a influência do atraso no tempo de propagação de portas lógicas NOR (em português NOU), um professor solicitou ao técnico de laboratório que montasse o circuito lógico da figura seguinte.

Terminada a experiência, o professor solicitou ao técnico que providenciasse uma porta lógica equivalente ao circuito montado com as portas NOR (NOU). Após alguns ensaios para levantar a tabela verdade desse circuito, o técnico concluiu que a porta lógica equivalente é uma porta cuja saída S é
Provas
A figura seguinte mostra quatro resistores com capacidades de dissipação térmicas diferentes (os valores estão mostrados à direita de cada resistor no circuito), ligados em paralelo e alimentados por uma fonte de tensão CC de 10 volts.

Considerando os respectivos valores das potências dissipadas pelas resistências, é CORRETO afirmar que a soma das correntes que atravessam
Provas
Na figura seguinte, está esquematizada a clássica ligação “estrela-triângulo”, utilizada na partida de motores de indução trifásicos.

Para esse circuito, a menor corrente de partida do motor será obtida
Provas
A figura seguinte mostra o esquema de um circuito frequentemente utilizado para medir o ganho de corrente em emissor comum de transistores bijunção, TJB.

Considere, ainda, os dados a seguir:
- a fonte de tensão variável, de 0 a 3 volts, está ajustada para 2,15 volts;
- a tensão VBE do transistor sob teste, quando em condução, é de 0,65 volts;
- o ganho de corrente em emissor comum do transistor sob teste é igual a 100;
- para os cálculos, desconsidere as tolerâncias dos resistores.
As leituras de correntes nos amperímetros analógico e digital são, respectivamente,
Provas
A figura seguinte mostra dois resistores ligados em série.

Considerando suas respectivas tolerâncias, é CORRETO afirmar que a resistência equivalente, medida entre os terminais A e B dessa associação em série, pode variar de
Provas
Em um circuito eletrônico, usado para amplificar o sinal de um sensor de pressão, a potência de saída é 1000 vezes maior que a potência de entrada. Portanto, o ganho em decibéis desse circuito é de
Provas
Observe a figura seguinte, que mostra a associação de quatro capacitores de poliéster, cujos valores podem ser lidos a partir das cores das faixas pintadas sobre os corpos dos mesmos.

Desconsideradas as tolerâncias, é CORRETO afirmar que o capacitor entre os terminais A e B, resultante dessa associação, é de
Provas
Caderno Container