Foram encontradas 510 questões.
Na classificação de ferramentas de usinagem com geometria definida, pode-se dizer que as fresas, as brocas, os escareadores e as serras são classificados como ferramentas
Provas
Considere os instrumentos a seguir.

O valor lido em cada instrumento será, respectivamente,
Provas
Do ponto de vista de planejamento da operação de usinagem, comparando os desenhos das questões 35 e 36, pode-se dizer, com relação aos estilos das cotas longitudinais, que as cotas longitudinais
Provas
Na operação de torneamento, a rotação do torno é obtida em função da velocidade de corte (vc) e do diâmetro equivalente (de) dado por de \( ={\large{∑ di * li \over ∑ li}} \), sendo (li) igual ao comprimento usinado correspondente ao diâmetro médio (di).
Analise a peça abaixo.

Essa peça foi recebida com diâmetro \( \oslash \)18,7 mm e com um sobremetal para acabamento desde A até B. Assim, para um único passe da ferramenta em acabamento, pode-se dizer que o diâmetro equivalente é igual a
Provas
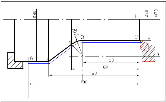
Observe a peça abaixo.

A inclinação do limbo graduado do transferidor do castelo para a usinagem da interpolação linear cônica dessa peça é de
Provas
A vida da ferramenta pode ser monitorada pelo desgaste ocorrido na superfície de folga da mesma, chamado de desgaste frontal VB. As variáveis que interferem no crescimento desse desgaste, na ordem decrescente de importância, são:
Provas
Os dois tipos de desvios de batida conhecidos são:
Provas
Analise a figura abaixo.

O valor da cota “X”, considerando um pino padrão de controle com diâmetro de 9 mm e sendo as duas peças intercambiáveis, é igual a
Provas
Para aumentar a aproximação de medida de um micrômetro, recomenda-se
Provas
Um tambor de um micrômetro, que tem passo de fuso igual a 1,0 mm e precisão de 0,02 mm, deverá ter um número de divisões igual a
Provas
Caderno Container