Foram encontradas 620 questões.
As sete grandezas de base definidas no Sistema Internacional de Unidades permitem a determinação de todas as demais grandezas desse sistema. Uma característica das grandezas de base é que suas unidades são mutuamente independentes. Assinale a alternativa que contém apenas unidades de base do Sistema Internacional de Unidades:
Provas
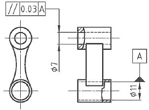
Assinale a alternativa que indica corretamente a tolerância geométrica aplicada à superfície cilíndrica da figura abaixo:

Provas
A figura abaixo mostra as escalas da bainha e do tambor de um micrômetro externo. Assinale a alternativa que apresenta corretamente a resolução do instrumento e a leitura indicada:

Provas
O tratamento térmico de esferoidização tem por objetivo dar forma globular aos grãos de cementita, especialmente em aços de alto teor de carbono. Assinale a alternativa que apresenta corretamente a modificação de propriedade obtida com a aplicação do tratamento:
Provas
Um tratamento térmico deverá ser aplicado em uma peça de aço carbono. Este tratamento requer o aquecimento da peça até a temperatura de austenitização. Quando a temperatura estiver homogênea, realiza-se um resfriamento rápido até a temperatura ambiente. Assinale a alternativa que indica corretamente o nome deste procedimento:
Provas

Fonte: Black, J.T.; Kohser, R.A DeGarmo’s.
Materials & Processes in Manufacturing, 10th edition. John Wiley & Sons, 2008. (adaptado)
O ensaio Jominy, cujo arranjo está representado na figura acima, é realizado em um dispositivo no qual é colocado um corpo de prova cilíndrico, aquecido acima da temperatura de austenitização. Em seguida, é aplicado um jato d’água no corpo de prova até seu total resfriamento. Assinale a alternativa que contém a grandeza relacionada com a velocidade de resfriamento do corpo de prova no referido ensaio:
Provas
Os ensaios não destrutivos apresentam grande aplicabilidade industrial, pois permitem que a peça seja inspecionada sem sofrer danos. Assinale a alternativa que contém o ensaio não destrutivo mais apropriado, considerando facilidade de realização e menor custo, para a inspeção de trincas na superfície de uma junta soldada de aço baixo carbono:
Provas
Processos de soldagem a arco elétrico frequentemente requerem a proteção da área a ser soldada para evitar a oxidação provocada pela presença de gases atmosféricos em contato com o metal fundido. Assinale a alternativa que contém processos de solda a arco elétrico que empregam argônio para a proteção da área de solda:
Provas
O emprego de fluido de corte nos processos de usinagem é recomendado para a obtenção de melhor acabamento superficial, redução do desgaste da ferramenta de corte e arrefecimento da peça. Alguns materiais, todavia, apresentam propriedades que tornam não recomendável a aplicação de fluidos de corte. Assinale a alternativa que apresenta material que deve ser usinado a seco:
Provas
O Código G dispõe de uma série de funções que permitem a realização de ciclos parametrizados de operações. Assinale a alternativa que apresenta a função para a realização de um ciclo de furação simples:
Provas
Caderno Container