Foram encontradas 914 questões.
Qual a utilidade do fio jumpers em quadro de distribuição?
Provas
O cabo telefônico de múltiplos pares tem dois grupos de cores, que são classificados em cores principais e cores secundárias. Qual a ordem de ligação do grupo principal no bloco de distribuição do DG?
Provas
Por que se usa repetidores de sinal em cabeamento de longa distância?
Provas
Podemos dizer que a sinalização multifrequencial diz respeito:
Provas
O que significa Central Telefônica?
Provas
O efeito da indutância ocasiona o ruído. Outro fenômeno conhecido é a diafonia, conhecido popularmente como:
Provas
A área de cobertura ou abrangência de uma célula no sistema de telefonia móvel depende de diversos fatores. São eles:
Provas
Segundo os requisitos das tomadas de telecomunicações para cabeamento balanceado metálico, estipulados na norma ABNT NBR 14565:2013, assinale a alternativa correta.
Provas
O circuito da figura pode representar um filtro. Em dada frequência, o indutor e o capacitor entraram em ressonância. Que alternativa apresenta uma afirmativa incorreta sobre esta situação?

Provas
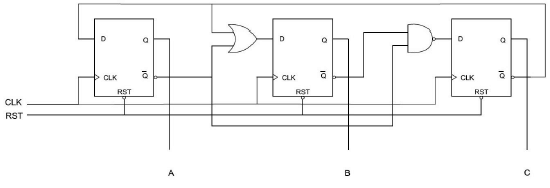
Após quantos pulsos de CLK será obtida a primeira sequência A=0, B=0 e C=1?

Provas
Caderno Container