Foram encontradas 582 questões.
A impedância da carga conectada nos terminais A e B, ilustrada no circuito a seguir para que haja a máxima transferência de potência, deverá ser de:

Provas
Uma fonte de tensão em corrente contínua alimenta uma carga RL conforme ilustrado na figura a seguir. Determine a potência fornecida pela fonte em regime permanente, sabendo-se que a impedância indutiva é expressa na frequência de 60 Hz:

Provas
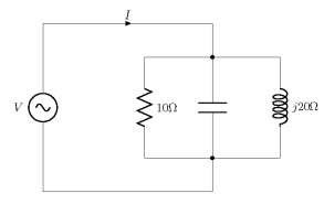
O valor da impedância capacitiva de forma que a corrente (I) do circuito ilustrado na figura a seguir seja mínima é de:

Provas
Assinale a alternativa que indica corretamente a resistência equivalente do ponto de vista dos terminais A e B do circuito resistivo ilustrado na figura a seguir:

Provas
Disciplina: Segurança e Saúde no Trabalho (SST)
Banca: UFSCAR
Orgão: UFSCAR
Como a Norma Regulamentadora nº 10 do Ministério do Trabalho e Emprego define Isolamento Elétrico?
Provas
Disciplina: Segurança e Saúde no Trabalho (SST)
Banca: UFSCAR
Orgão: UFSCAR
De acordo com a Norma Regulamentadora nº 10 do Ministério do Trabalho e Emprego, estabelecimentos onde a carga instalada seja superior a 75 kW devem:
Provas
Disciplina: Segurança e Saúde no Trabalho (SST)
Banca: UFSCAR
Orgão: UFSCAR
A Norma Regulamentadora nº 10 do Ministério do Trabalho e Emprego deve ser aplicada:
Provas
Disciplina: Segurança e Saúde no Trabalho (SST)
Banca: UFSCAR
Orgão: UFSCAR
Qual é a função da Norma Regulamentadora nº 10 do Ministério do Trabalho e Emprego?
Provas
Qual é a função de um Transformador de Corrente?
Provas
Qual é a função do PRODIST?
Provas
Caderno Container