Foram encontradas 582 questões.
Considere as seguintes afirmações:
I. CLPs podem ser usados para substituir painéis sinópticos em praticamente todas as aplicações.
II. A grande vantagem dos CLPs é a redução do custo do sistema final, mesmo em aplicações simples.
III. O diagrama de contatos (ladder) não permite a implementação de operações lógicas. Para obter tal comportamento, precisamos adicionar blocos de funções.
IV. Em sistemas complexos, o CLP pode substituir painéis sinópticos reduzindo o espaço físico necessário para a instalação.
São corretas apenas as afirmações:
Provas
Sobre CNC, podemos afirmar que:
Provas
Sobre a propriedade de dureza dos materiais e sobre os testes de dureza, é incorreto afirmar que:
Provas
Veja o diagrama ladder a seguir (B1 e B2 representam botões ligados ao CLP; “Motor” representa uma saída que ativa ou desativa um motor). Indique a afirmação incorreta:

Provas
Sobre CLP, podemos afirmar que:
Provas
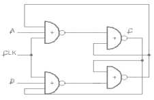
A figura a seguir representa um flip-flop JK. Os pontos “A”, “B” e “C” são, respectivamente:

Provas
Quatro flip-flops JK são ligados em série. Nesse caso, as entradas “P”, “C”, “J” e “K” são ligadas em “1”, e a saída “Q” do primeiro flip-flop é ligada no pino “CLK” do segundo flip-flop. A saída “Q” do segundo é ligada ao “CLK” do terceiro. A saída “Q” do quarto é ligada ao “CLK” do quarto. Um sinal de clock é ligado ao pino “CLK” do primeiro flip-flop. Indique a alternativa incorreta:
Provas
Observando o circuito a seguir, a expressão lógica resultante será (acertar a entrada de D):

Provas
Seja o circuito a seguir. Indique a alternativa correta:

Provas
Sobre a figura a seguir, indique a alternativa incorreta:

Provas
Caderno Container