Foram encontradas 1.568 questões.
Sobre a arquitetura do Arduino, considere as seguintes afirmações:
I. Uma aplicação com Arduino é composta do microcontrolador Arduino devidamente acondicionado em uma placa de circuito impressa denominada “kit de desenvolvimento”.
II. O shield é um elemento de hardware complementar que bloqueia transientes de sinal.
III. Em uma única aplicação, pode ser usado mais de um shield ao mesmo tempo.
IV. Na forma padrão de desenvolvimento, a criação de um protótipo com o Arduino requer um computador com compilador ladder.
V. A linguagem padrão de desenvolvimento do Arduino é o C++.
Assinale a alternativa que contenha o número de afirmações que são corretas.
Provas
Considere o seguinte código:
MOVF filereg2, w
XORWF filereg1, f
XORWF filereg1, w
XORWF filereg1, f
MOVWF filereg2
ADDLW 0xFF
Pode-se dizer que:
Provas
Analise as seguintes afirmações sobre a programação de microcontroladores PIC:
I. Seja o código:
movlw b’1’
sublw b’1001’
O resultado no registrador W será b’1000’.
II. A instrução DECF altera o flag zero.
III. A instrução MOVLW não altera o flag zero.
IV. A instrução INCFSZ altera o flag zero.
V. SUBLW 0x00 transforma o valor de W no complemento de 2 correspondente.
VI. Observe os seguintes trechos de códigos:
i) MOVLW 4
SUBLW 5
ii) MOVLW 5
SUBLW 5
iii) MOVLW 6
SUBLW 5
Após a execução de cada um dos códigos separadamente, em um deles o bit zero fica com valor “1”; no código iii), o bit C está em “1”.
Pode-se dizer que:
Provas
Sobre projeto de circuitos de acionamento, considere as seguintes afirmações:
I. Um diodo roda livre serve para proteger o circuito de tensões transientes no chaveamento de cargas capacitivas.
II. É possível desenvolver um circuito de acionamento de motores DC bidirecionais com 2 níveis de torque usando 4 transistores, 4 diodos e 4 resistores.
III. Triacs e tiristores são encontrados com frequência em circuitos de acionamento de motores; o triac pode ser considerado como um diodo com um sinal de gatilho; o tiristor possui funcionamento semelhante ao triac, mas pode ser ligado direta e reversamente. 21
IV. É possível controlar a velocidade de motores DC usando um resistor variável em série com o motor ou através da técnica de controle por PWM; o controle por PWM consiste em gerar um pulso retangular de frequência constante; o consumo de um sistema que se utiliza de PWM é maior do que utilizando o resistor variável.
Assinale a alternativa que contenha o número de afirmações que são corretas.
Provas
A comunicação entre robôs e os demais equipamentos industriais se dá por meio de protocolos de comunicação. Sobre eles, podemos dizer que:
I. Um protocolo serial clássico é o RS-232, que pode ser composto de sinais de dados, handshake e sincronia.
II. O uso do protocolo RS-232 pode ser com 25, 9 ou 3 vias.
III. O RS-232 pode ser usado para transmitir um sinal entre dispositivos separados de 30 m.
IV. O barramento I2C se utiliza de 3 sinais.
V. O modelo OSI possui 7 camadas: física, enlace, rede, transporte, processamento, apresentação e aplicação.
VI. Caso seja necessário o envio de um comando para um robô industrial, deve-se utilizar uma comunicação half-duplex ou full duplex.
VII. O loop de corrente de 20 mA tem um funcionamento análogo ao RS-232.
VIII. O PROFIBUS e o RS-485 se utilizam da arquitetura mestre-escravo.
IX. Tanto a tecnologia PROFIBUS quanto a FIELDBUS operam na frequência de 31,25 kbits/s.
X. O FIELDBUS permite o uso de fibra ótica, mas o PROFIBUS não.
Assinale a alternativa que contenha o número de afirmações que são incorretas.
Provas
Indique a alternativa incorreta.
Provas
Sobre robôs industriais, indique a alternativa incorreta.
Provas
O circuito a seguir é equivalente a qual instrução ladder?

Provas
Na figura a seguir, “B”, “C” e “D” são saídas binárias de um CLP. “E” representa uma entrada, conectada em um sensor binário. O sensor oscila de “0” para “1” em uma frequência de 0,5 Hz. O sistema inicia com todos os sinais em “0”. Quais os valores de “B”, “C” e “D” quando o sensor assume o valor “1” pela segunda vez?

Provas
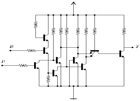
Analise o circuito a seguir e assinale a alternativa que complete corretamente a sentença.

O circuito acima pode ser descrito como um . Nesse caso, a saída é dada por um número em binário, composto de um conjunto de bits: X4 X3 X2 X1 X0 (X0 é o menos significativo). A saída G corresponde ao bit e a saída E corresponde ao bit .
Provas
Caderno Container