Foram encontradas 639 questões.
Um sistema de controle utilizará um microcontrolador 8051. O 8051 possui 4 portas de E/S de 8 bits cada um, tem-se um total de 32 bits de entrada e saída. O clock será de 12 MHz, e o ciclo de instrução mínimo é de 1 !$ \mu !$s.
O controlador deve possuir 4 display de 7 segmentos, portanto serão usados 2 portas de 8 bits para controlar os displays. O sistema deve ter 4 teclas para implementar um menu de navegação, portanto serão usados 4 bits. O sistema deve possuir duas entradas digitais para sensores discretos, e duas saídas digitais para acionamento de reles, portanto serão usados 4 bits. Total de portas de E/S utilizadas serão 3 portas de 8 bits.
Sabe-se que o 8051 não possui conversor A/D interno, portanto será necessário utilizar um conversor externo. O sinal de entrada analógico tem um range de -10 a +10 volts, deseja-se uma resolução de 1 mV. A saída analógica deve ter um range de 0 a 5 volts, com resolução de 5 mV.
O conversor A/D necessário para a aplicação deve ser:
Provas
Em sistemas de áudio é comum o uso da unidade decibel.
Para um sistema de altofalantes, um aumento de 3 dB na saída requer um aumento de:
Provas

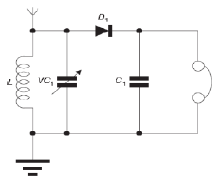
Sobre o circuito pode-se afirmar que é um:
Provas
Em radio difusão existem as faixas de AM e FM. Sobre estas faixas é correto afirmar que:
Provas
A norma NBR 9884 define os graus de proteção dos equipamentos elétricos por meio das letras características IP, seguidas por dois algarismos.
Assinale a alternativa correta.
Provas
Comparando os meios físicos de transmissão pode-se afirmar que:
Provas

A tensão sobre o capacitor quando a chave passa para a posição 1 é:
Provas
Disciplina: Segurança e Saúde no Trabalho (SST)
Banca: UFSCAR
Orgão: UFSCAR
A norma da ABNT que trata sobre a segurança em instalações elétricas é:
Provas

Sobre o circuito assinale a alternativa falsa:
Provas
Existem diversas formas de contratação de pessoas na construção civil. Entre as opções a seguir, qual não se caracteriza como uma forma de contratação de pessoas?
Provas
Caderno Container