Foram encontradas 639 questões.
Respondida
Assinale a alternativa que contém uma leitura incorreta da simbologia anotada nos três desenhos abaixo.
Respondida
Dentre as afirmações abaixo qual é a que não tem relação com Projeto Conceitual?
Respondida
Entre as propriedades abaixo necessárias ao óleo lubrificante utilizado nos sistemas de refrigeração, assinale a única que não é diretamente importante para esses sistemas.
Respondida
A Figura abaixo representa uma medição de comprimento utilizando um paquímetro com escala em milímetros e nônio de 50 divisões.
Faça a leitura da medida que aparece na figura e assinale a resposta correta.
A
O paquímetro tem Resolução = 0,025 mm e a Leitura indicada é 68,325 mm.
B
O paquímetro tem Resolução = 0,020 mm e a Leitura indicada é 62,32 mm.
C
O paquímetro tem Resolução = 0,02 mm e a Leitura indicada é 68,32 mm.
D
O paquímetro tem Resolução = 0,05 mm e a Leitura indicada é 68,32 mm.
E
O paquímetro tem Resolução = 0,020 mm e a Leitura indicada é 68,35 mm.
Respondida
Assinale a alternativa que não corresponde a atividades desenvolvidas dentro da Fase de Detalhamento de um Projeto.
Respondida
Assinale a alternativa incorreta sobre máquinas hidráulicas.
Respondida
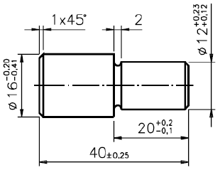
Na Figura abaixo as medidas estão representadas em [mm].
Assinale a resposta correta.
A
As dimensões efetivas dos dois diâmetros representados na figura podem ser 16,25 mm e 12,20 mm, respectivamente.
B
A dimensão máxima do comprimento da parte rebaixada é 20,2 mm e a dimensão mínima é 20,1 mm.
C
O afastamento inferior do diâmetro maior é igual a -0,20 mm e o afastamento superior é igual a -0,40 mm.
D
A dimensão máxima admissível para o comprimento da parte cilíndrica de diâmetro maior será 20,5 mm.
E
A dimensão máxima do comprimento da parte rebaixada é 20,2 mm e a dimensão mínima é 19,9 mm.
Respondida
Assinale a alternativa que não se refere ao processo de estampagem.
Respondida
Qual das alternativas abaixo contém uma afirmação incorreta sobre Projeto Conceitual?
Respondida
O uso do fluido de corte nas operações de usinagem contribui para:
A
redução do atrito, refrigeração da peça, aumento da força de usinagem.
B
proteção à corrosão, expulsão do cavaco, aumento no ângulo de ataque da ferramenta.
C
melhora no acabamento superficial da peça, aumento no custo de usinagem, refrigeração.
D
redução do atrito entre cavaco e ferramenta, melhora do acabamento superficial da peça, redução do custo da ferramenta na operação.
E
contaminação da peça, lubrificação do barramento do torno, corrosão da ferramenta.