Foram encontradas 675 questões.
A figura abaixo mostra um conversor analógico-digital de rampa digital que monitora a tensão VB
de uma bateria de 12 V. A saída do conversor é um número binário de 4 bits, ABCD, que
corresponde à tensão da bateria em degraus de 1 V, sendo A o bit mais significativo (MSB). As
saídas binárias do conversor A/D são ligadas em um circuito lógico que produz uma saída Z. 
A saída Z é ativada em nível ALTO se e somente se a tensão da bateria VB for maior que:

A saída Z é ativada em nível ALTO se e somente se a tensão da bateria VB for maior que:
Provas
Questão presente nas seguintes provas
Considere o seguinte circuito digital, composto por três portas lógicas NAND:

Qual expressão booleana é implementada por esse circuito?
Provas
Questão presente nas seguintes provas
A corrente no secundário de um transformador ideal de 13.200/220 V é de 30 A. A razão de
espiras do transformador, a potência aparente que está sendo transmitida e a corrente no primário
são dadas por:
Provas
Questão presente nas seguintes provas
Com o objetivo de determinar a potência de uma carga monofásica, os valores de tensão e
corrente eficazes foram medidos, obtendo-se 220 V e 30 A, respectivamente. Sabendo-se que o
fator de potência da carga é 0,9 indutivo, a potência ativa dissipada pela carga é dada por:
Provas
Questão presente nas seguintes provas
Em relação a circuitos elétricos trifásicos, analise as afirmativas a seguir e assinale a alternativa
correta.
I. Apenas dois wattímetros são necessários para medir a potência média total absorvida por uma carga trifásica.
II. A sequência de fase é a ordem em que as tensões das fases de um gerador trifásico ocorrem em relação ao tempo. Em uma sequência abc de tensões balanceadas de um gerador trifásico, a tensão da fase A está adiantada 120 graus da tensão da fase B, que, por sua vez, está 120 graus adiantada da tensão da fase C.
III. Em um sistema trifásico, tanto a fonte quanto a carga podem ser conectadas em triângulo ou em estrela.
IV. Tensões de fase balanceadas são iguais em amplitude e fora de fase uma das outras em 120 graus.
I. Apenas dois wattímetros são necessários para medir a potência média total absorvida por uma carga trifásica.
II. A sequência de fase é a ordem em que as tensões das fases de um gerador trifásico ocorrem em relação ao tempo. Em uma sequência abc de tensões balanceadas de um gerador trifásico, a tensão da fase A está adiantada 120 graus da tensão da fase B, que, por sua vez, está 120 graus adiantada da tensão da fase C.
III. Em um sistema trifásico, tanto a fonte quanto a carga podem ser conectadas em triângulo ou em estrela.
IV. Tensões de fase balanceadas são iguais em amplitude e fora de fase uma das outras em 120 graus.
Provas
Questão presente nas seguintes provas
Em relação a elementos de circuito passivos, analise as afirmativas a seguir e assinale a
alternativa correta.
I. A equação do capacitor é dada por i= C dv/dt, em que C é a capacitância, cuja unidade de medida é o farad (F).
II. A equação do indutor é dada por v = L di/dt, em que L é a indutância, cuja unidade de medida é o henry (H).
III. A capacitância equivalente, Ceq, de dois capacitores em conectados em série, C1 e C2, é dada por Ceq= C1 + C2.
IV. Capacitores são usados para armazenar energia na forma de campo elétrico, enquanto indutores podem armazenar energia na forma de campo magnético.
V. A energia armazenada em um capacitor é dada por wC = 1/2 Cv2 e a energia armazenada por um indutor é dada por wL = 1/2 Li2.
I. A equação do capacitor é dada por i= C dv/dt, em que C é a capacitância, cuja unidade de medida é o farad (F).
II. A equação do indutor é dada por v = L di/dt, em que L é a indutância, cuja unidade de medida é o henry (H).
III. A capacitância equivalente, Ceq, de dois capacitores em conectados em série, C1 e C2, é dada por Ceq= C1 + C2.
IV. Capacitores são usados para armazenar energia na forma de campo elétrico, enquanto indutores podem armazenar energia na forma de campo magnético.
V. A energia armazenada em um capacitor é dada por wC = 1/2 Cv2 e a energia armazenada por um indutor é dada por wL = 1/2 Li2.
Provas
Questão presente nas seguintes provas
Considere o circuito apresentado na figura a seguir, em que VS é a tensão da fonte e vc(t) é a
tensão no capacitor. Suponha que o capacitor esteja completamente descarregado em t = 0. As
equações que descrevem o comportamento da tensão vc(t) e a corrente ic(t) no capacitor para
t > 0 são dadas por:


Provas
Questão presente nas seguintes provas
Considere um circuito em corrente contínua com uma fonte de tensão (V) em série com uma
resistência constante (R) e uma resistência variável (RL), chamada de “carga”. Qual deve ser a
relação entre as resistências para que a maior potência possível (pmax) seja transferida para a
carga e qual é o valor dessa potência em função da tensão da fonte V e da resistência da carga RL?
Provas
Questão presente nas seguintes provas
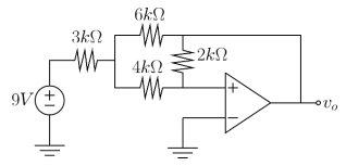
Considere o circuito da figura a seguir. Sabendo que a tensão de entrada é 9 V, qual é o valor da
tensão de saída vo?


Provas
Questão presente nas seguintes provas
Considere o circuito apresentado na figura a seguir. O resistor de 4 Ω dissipa uma potência de
144 W. Qual é a tensão fornecida pela fonte Vf?


Provas
Questão presente nas seguintes provas
Cadernos
Caderno Container