Foram encontradas 50 questões.
Um amplificador tem um ganho de tensão de 100 V/V e um ganho de corrente de 1.000 A/A.
O ganho de potência em decibéis para o amplificador é
Provas
Questão presente nas seguintes provas
O número 101001(2) na base 2 tem como equivalente, na base 10, o número
Provas
Questão presente nas seguintes provas
Um capacitor de 125 !$ \mu !$F é ligado em paralelo com um indutor de 1,5 mH, com uma tensão aplicada de 440 V. A frequência de ressonância aproximada do circuito é
Provas
Questão presente nas seguintes provas
O número mínimo de terminais necessários em um CI encapsulado, contendo quatro amplificadores operacionais, é
Provas
Questão presente nas seguintes provas
Um inversor tem uma capacitância de carga de 2 pF e é chaveado a 50 MHz. O valor da potência dinâmica do inversor, operando a partir de uma fonte de alimentação de 5 V, é
Provas
Questão presente nas seguintes provas
Na primeira linha do sétimo parágrafo, o uso dos dois pontos introduz uma
Provas
Questão presente nas seguintes provas
Considere o período a seguir.
Estima-se que mais de 30 milhões de pessoas deixaram a linha de pobreza, com o aumento de renda e acesso a crédito e a bens de consumo.
Sobre os termos sublinhados, é correto afirmar que,
Provas
Questão presente nas seguintes provas
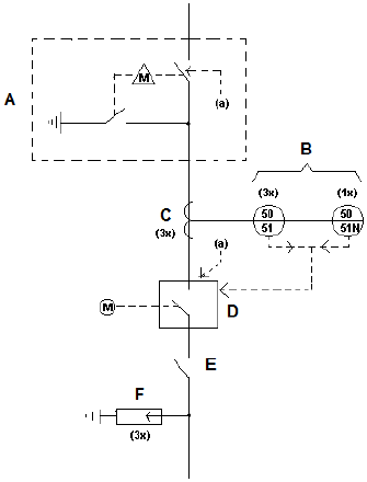
A Figura a seguir apresenta parte do diagrama unifilar de uma subestação de consumidor.

Conforme os elementos desse diagrama, pode-se afirmar que
Provas
Questão presente nas seguintes provas
O que a nova classe média pensa sobre sustentabilidade
Bruno Calixto
Na última década, uma parcela da população brasileira experimentou uma forte mudança social. Estima-se que mais de 30 milhões de pessoas deixaram a linha da pobreza, com aumento de renda e acesso a crédito e a bens de consumo. Esse grupo, que está sendo chamado de nova classe média, é um dos principais alvos das políticas sociais do governo federal. Mas, por ser um grupo grande e heterogêneo, sabe-se pouco sobre o que pensa de temas importantes, como a questão ambiental. O que a nova classe média pensa sobre sustentabilidade?
A pesquisadora Izabelle Vieira, da Universidade Federal Rural do Rio de Janeiro (UFRRJ), tenta responder a essa pergunta. A ideia é entender como essa parcela da população, que vive a festejada conquista de poder consumir mais, encara o discurso de sustentabilidade, que diz que o consumo deve ser controlado.
"O objetivo é conhecer as práticas reais e entender como esse grupo percebe as questões de consumo sustentável", diz Izabelle.
A dificuldade começa na definição do grupo a ser estudado. O conceito de nova classe média é novo, cunhado pelo economista Marcelo Neri, atual presidente do Instituto de Pesquisa Econômica Aplicada (Ipea). Mas não há consenso sobre isso entre a comunidade acadêmica. Para muitos pesquisadores, não é possível ainda dizer que surgiu uma nova classe no Brasil. Para fazer a pesquisa, Izabelle considerou como "nova classe média" o grupo social que estava na base da pirâmide e experimentou grande incremento de renda na última década, com aumento do salário mínimo, emprego e acesso ao crédito. São famílias que hoje possuem renda mensal entre R$ 1.000 e R$ 5.000 e que vivem nas periferias das grandes cidades.
O estudo ainda não está completo, mas os resultados iniciais mostram que o consumo sustentável não é prioridade para essas famílias, e que as questões ambientais são percebidas como distantes da realidade, mais associadas à ideia de proteção de florestas e rios e não com o dia a dia das grandes cidades. "Sustentabilidade não é um termo que costuma ser utilizado", diz Izabelle.
Isso não quer dizer que o assunto seja completamente ignorado. As pessoas enfatizam os problemas da comunidade, especialmente a questão do lixo. Além disso, as famílias da nova classe média mostram alguns comportamentos considerados sustentáveis, como economizar água e apagar as luzes ao sair dos quartos. Mas a motivação não é ambiental, é econômica. "Apagar a luz ou evitar o desperdício de água significa dinheiro no final do mês. Pode significar sair uma vez a mais para jantar no mês".
A pesquisadora ressalta que o objetivo do estudo não é defender a sustentabilidade nem criticar as famílias da nova classe média. "Não adianta simplesmente culpar o consumidor desse grupo por não adotar essas práticas. O consumo sustentável esbarra em questões materiais básicas e até diferenças filosóficas."
As questões materiais são evidentes: a população que vive nas periferias das grandes cidades brasileiras precisa lidar, diariamente, com a ausência de serviços básicos. Se falta coleta de lixo e saneamento, como esperar serviços como a coleta seletiva e a reciclagem? As famílias da nova classe média dificilmente conseguem seguir o que organizações ambientais definem como parâmetros para o consumo sustentável.
Com poder aquisitivo limitado, essas famílias não conseguem comprar produtos orgânicos ou certificados, que são mais caros que outros produtos. Também não têm acesso a informações como as condições de fabricação de um determinado produto ou a relação de empresas com a comunidade, e o preço costuma ser o fator mais importante na hora da compra.
Além das questões materiais, há diferenças filosóficas, especialmente na ideia de justiça social. As famílias se comparam com classes econômicas mais ricas e questionam que, justamente agora que elas têm acesso a bens de consumo, se fale em consumir menos em prol do planeta. Muitos interpretam que a ideia de limitar o consumo acaba punindo a nova classe média, já que só agora esse grupo tem condições de ter um carro e bens de consumo.
Um dos resultados desse pensamento é que a nova classe média não se vê como o sujeito, como os autores do comportamento sustentável. Diferentemente do que prega o movimento ambiental, que defende que cada pessoa pode agir para melhorar o mundo, a nova classe média, segundo a pesquisa, parece acreditar que quem deve agir são os governos, as empresas e as ONGs. Também há dificuldade em saber o que cada um pode fazer. "Não está claro para as pessoas o que elas podem fazer pelo meio ambiente", diz Izabelle.
Disponível em: <http://epoca.globo.com/colunas-e-blogs/blog-do-planeta/noticia/
2013/11/o-que-bnova-classe-mediab-pensa-sobre>. Acesso em: 03 mar. 2014. [Adaptado]
De acordo com o texto, a nova classe média é representada por
Provas
Questão presente nas seguintes provas
Para o projeto luminotécnico de uma sala com dimensões 12 m x 10 m serão adotados os seguintes parâmetros:
!$ \bullet !$ iluminamento: 500 lux;
!$ \bullet !$ fator de utilização: 0,54;
!$ \bullet !$ fator de depreciação: 0,88;
!$ \bullet !$ luminárias com duas lâmpadas fluorescentes e
!$ \bullet !$ lâmpadas fluorescentes de 32 W – 220 V com fluxo luminoso de 2.700 lúmens.
O fluxo luminoso total necessário para iluminar adequadamente essa sala e a quantidade mínima de luminárias serão, aproximadamente,
Provas
Questão presente nas seguintes provas
Cadernos
Caderno Container