Magna Concursos

Foram encontradas 1.128 questões.

1824935 Ano: 2018
Disciplina: Engenharia Eletrônica
Banca: UFRPE
Orgão: UFRPE
Provas:
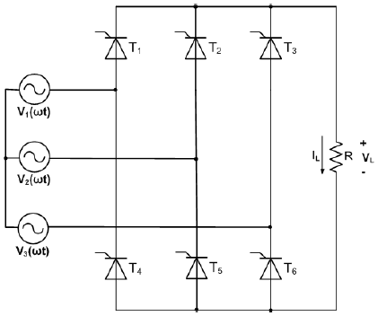
O circuito apresentado na figura abaixo se refere ao:
Enunciado 1824935-1
 

Provas

Questão presente nas seguintes provas
1824934 Ano: 2018
Disciplina: Engenharia Elétrica
Banca: UFRPE
Orgão: UFRPE
Provas:
As atividades de manutenção: revisar o comutador, realizar o teste funcional do relé Buchholz e realizar análise cromatográfica do líquido isolante são realizadas no seguinte equipamento de uma subestação:
 

Provas

Questão presente nas seguintes provas
1824933 Ano: 2018
Disciplina: Engenharia Elétrica
Banca: UFRPE
Orgão: UFRPE
Provas:
Quanto aos instrumentos de medição, assinale a alternativa incorreta.
 

Provas

Questão presente nas seguintes provas
1824932 Ano: 2018
Disciplina: Engenharia Elétrica
Banca: UFRPE
Orgão: UFRPE
Provas:
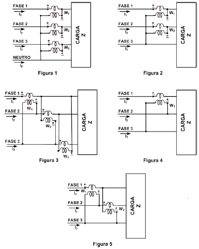
Sobre os métodos de medição de potência, assinale a alternativa correta.
Enunciado 1824932-1
 

Provas

Questão presente nas seguintes provas
1824931 Ano: 2018
Disciplina: Engenharia Elétrica
Banca: UFRPE
Orgão: UFRPE
Provas:
Não caracteriza uma atividade de manutenção preventiva em instalações elétricas:
 

Provas

Questão presente nas seguintes provas
1824930 Ano: 2018
Disciplina: Engenharia Elétrica
Banca: UFRPE
Orgão: UFRPE
Provas:
Quanto às práticas recomendadas para a conservação e o uso eficiente da energia elétrica, assinale a alternativa incorreta.
 

Provas

Questão presente nas seguintes provas
1824929 Ano: 2018
Disciplina: Engenharia Elétrica
Banca: UFRPE
Orgão: UFRPE
Provas:
Quando há possíveis soluções para o tratamento de fatores que afetam a qualidade da energia elétrica, é correto afirmar que:
 

Provas

Questão presente nas seguintes provas
1824928 Ano: 2018
Disciplina: Engenharia Elétrica
Banca: UFRPE
Orgão: UFRPE
Provas:
Quanto ao acionamento de motores trifásicos de indução tipo gaiola, assinale a alternativa correta.
 

Provas

Questão presente nas seguintes provas
1824927 Ano: 2018
Disciplina: Engenharia Elétrica
Banca: UFRPE
Orgão: UFRPE
Provas:
Sobre as prescrições previstas na norma NBR 14039:2005, que trata das Instalações Elétricas de Média Tensão, é correto afirmar que:
 

Provas

Questão presente nas seguintes provas
1824926 Ano: 2018
Disciplina: Engenharia Elétrica
Banca: UFRPE
Orgão: UFRPE
Provas:
Quanto à proteção prevista para as instalações elétricas de baixa tensão, na norma NBR 5410, assinale a alternativa incorreta.
 

Provas

Questão presente nas seguintes provas