Foram encontradas 50 questões.
Em uma estação de rádio, um técnico realiza testes em um circuito modulador de FM. O circuito tem entrada de sinal modulante ligada à terra, oscilando a uma frequência de 100MHz. Um sinal modulante contínuo de 12V é aplicado a sua entrada, fazendo com que o circuito passe a oscilar a uma frequência de 100,08MHz. Nessas condições, o valor da constante do circuito modulador será, aproximadamente,
Provas
Considerando um canal que utiliza uma codificação A/D de 16 bits e, na ausência de ruídos, uma taxa máxima de transferência de 64kbps, a largura de banda desse canal é
Provas
A figura abaixo representa um circuito polarizado na região ativa contendo um transistor de silício com ganho !$ β !$ = 100.

Nesse circuito, ao considerar que VCC = 12V, VCE = 2,5V, e IB = 20!$ μ !$A, o valor de RE será, aproximadamente,
Provas
As entradas A, B, C, D e a saída Z de um circuito digital são representadas pela expressão booleana abaixo.
!$ Z=\bar AB(\bar D+D\bar C)+(A+\bar ACD).B !$
A expressão booleana simplificada é igual a
Provas
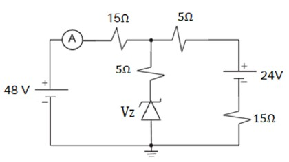
No laboratório de eletrônica analógica de uma instituição de ensino, um estudante de engenharia eletrônica realiza aula prática utilizando diodo Zener. O estudante deverá analisar a figura abaixo, que representa um circuito com um diodo Zener considerado ideal.

Quando a corrente medida no amperímetro considerado ideal for de 1,45 A, a tensão nominal (VZ), no diodo Zener, é, aproximadamente, igual a
Provas
No laboratório de eletrônica digital de uma instituição de ensino, um estudante de eletrônica realiza aula prática utilizando portas lógicas. O estudante deverá analisar as figuras 1 e 2, expostas abaixo, que representam dois circuitos com portas lógicas, de entradas A e B.

Os circuitos das figuras 1 e 2 apresentam, em suas saídas E e F, resultados equivalentes aos produzidos, respectivamente, pelas portas lógicas
Provas
No laboratório de eletrônica analógica de uma instituição de ensino, um estudante de engenharia elétrica realiza aula prática utilizando amplificador operacional. A figura abaixo representa um circuito na configuração de amplificador não inversor.

Considerando que, nesse circuito, o amplificador operacional é ideal, o resistor tem uma resistência de 5 M!$ Ω !$ e o capacitor, uma capacitância de 10 !$ μ !$F, a função de transferência que relaciona o sinal de saída (V0) e o sinal de entrada (Vi), no domínio da frequência [V0(s)/Vi(s)] para esse circuito, é igual a
Provas
Na distribuição de energia elétrica de uma universidade, um Quadro de Distribuição de Luz (QDL) é alimentado a partir de um Quadro Geral de Baixa Tensão (QGBT) por meio de cabos unipolares de cobre com isolação de PVC, instalados em eletroduto de PVC enterrado no solo, conforme a figura abaixo.

Na Tabela 1, estão os parâmetros do QDL
Tabela 1
| PARÂMETRO | QDL |
| TIPO DE CARGA | ILUMINAÇÃO |
| POTÊNCIA TOTAL | 93 kW |
| TENSÃO DE ALIMENTAÇÃO |
380/220 V (3F-N DESEQUILIBRADO) |
| FATOR DE POTÊNCIA | 0,94 |
Tabela 2
CAPACIDADE DE CONDUÇÃO DE CORRENTE DE CONDUTORES E COBRE COM ISOLAÇÃO DE PVC, EM ELETRODUTO ENTERRADO NO SOLO
| SEÇÃO NOMINAL (mm2) | 25 | 35 | 50 | 70 | 95 | 120 | 150 | 185 | 240 |
| CAPACIDADE DE CONDUÇÃO (A) | 104 | 125 | 148 | 183 | 216 | 246 | 278 | 312 | 361 |
Tabela 3
QUEDA DE TENSÃO EM V/A.km PARA CIRCUITO TRIFÁSICO (FP=0,95) EM ELETRODUTO DE MATERIAL NÃO MAGNÉTICO
| SEÇÃO NOMINAL (mm2) | 25 | 35 | 50 | 70 | 95 | 120 | 150 | 185 | 240 |
| QUEDA DE TENSÃO EM (V/A.Km) | 1,49 | 1,09 | 0,82 | 0,59 | 0,44 | 0,36 | 0,30 | 0,25 | 0,21 |
Adotando-se um fator de agrupamento dos condutores igual a 0,8 e considerando-se !$ \sqrt{3}=1,73 !$ , as seções nominais dos condutores de fase desse circuito, obtidas por meio dos critérios de Capacidade de Condução de Corrente (Tabela 2) e de Queda de Tensão (Tabela 3), serão, respectivamente,
Provas
Em uma gráfica, uma luminária utilizada para iluminar um equipamento de trabalho tem uma fonte de luz pontual com intensidade luminosa de 1 candela. A superfície iluminada do equipamento é perpendicular ao fluxo luminoso e está instalada à distância d, conforme representado na figura abaixo.

De acordo com a Lei do iluminamento, para distâncias de 1 m, 3 m e 5 m, o iluminamento e a superfície iluminada são, respectivamente,
Provas
O diagrama unifilar simplificado da figura abaixo representa as instalações elétricas de uma indústria, contendo centros de controle de motores (CCM), quadros de distribuição de luz (QDL), motores trifásicos (M) e lâmpadas (L). Todos os CCMs e QDLs são trifásicos, e a carga trifásica total corresponde a 126 kW com um fator de potência em atraso de 0,84.

|
Considere: !$ \sqrt{3} !$ = 1, 73; cos-1 0,84 = 32,86º; tg 32,86º = 0,65; cos-1 0,97 = 14,07º; tg 14,07º = 0,25. |
Um banco de capacitores deverá ser dimensionado para corrigir o fator de potência dessa instalação total para 0,97 em atraso, considerando-se que existe uma grande quantidade de cargas de potências distintas e com diferentes períodos de funcionamento. Essa correção deverá ter menores custos e liberar potência do transformador da subestação.
O local para a instalação do banco de capacitores, a potência reativa fornecida pelo banco de capacitores e a redução resultante na corrente total após a correção do fator de potência serão, respectivamente,
Provas
Caderno Container