Foram encontradas 400 questões.
Os equipamentos abaixo relacionados são utilizados em uma residência convencional.

Considerando o custo de 100 kWh/mês igual a R$ 52,54 para consumidor residencial convencional no Rio Grande do Norte, o custo mensal (30 dias) de energia elétrica dessa residência é, aproximadamente, igual a
Provas
- EletrotécnicaCircuitos de Corrente Contínua em Eletrotécnica
- EletrotécnicaCircuitos Elétricos em Eletrotécnica
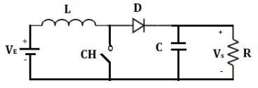
A ondulação da tensão de saída é de 1,5% da tensão média aplicada à carga.
Considerando que o conversor esteja operando com VE = 110 V, L = 20 mH, R = 150 Ω e D = 0,7, o valor da tensão média VS é, aproximadamente, igual a
Provas
- EletrotécnicaCircuitos de Corrente Contínua em Eletrotécnica
- EletrotécnicaCircuitos Elétricos em Eletrotécnica
A figura abaixo representa um circuito com uma associação mista de resistências.

A corrente total no circuito é, aproximadamente, igual a
Provas
Provas
Considere as seguintes afirmativas relacionadas à manutenção elétrica e à NR 10 – Segurança em Instalações e Serviços em Eletricidade.
I A resistência de contato em uma conexão elétrica não depende da superfície de contato, e sim da pressão entre as superfícies dos contatos.
II Para uma instalação elétrica com tensão nominal de 380 V, a zona livre (ZL) situa-se a uma distância maior do que 0,50 m do ponto da instalação energizado (PE).
III São exemplos de ensaios de rotina em transformadores de potência: fator de potência do isolamento, elevação de temperatura e nível de ruído.
IV É considerado trabalhador qualificado aquele que comprovar conclusão de curso específico na área elétrica reconhecido pelo Sistema Oficial de Ensino.
Dentre as afirmativas, estão corretas
Provas
Provas
Considere √3 =1,73
Provas
Considere um fio de 4,50 m de comprimento e raio igual a 0,5 mm. Uma fonte DC é conectada entre as extremidades desse fio e aplica-se uma diferença de potencial de 5,50 V. A corrente resultante nesse fio é igual a 15,6 A. O valor da resistividade do fio é, aproximadamente, igual a
Considere π = 3,14
Provas
Considere as seguintes afirmativas relacionadas à energia solar fotovoltaica.
I Em uma célula fotovoltaica de silício, o valor da corrente de curto-circuito aumenta com o aumento da radiação solar incidente.
II Cabos elétricos utilizados entre os módulos fotovoltaicos e o inversor devem ser isentos de halogênio e, se instalados ao ar livre, também devem resistir à radiação ultravioleta.
III Para otimizar a captação da radiação solar, o ângulo de inclinação dos módulos fotovoltaicos numa usina deverá ser igual à longitude do local.
IV De acordo com a REN nº 687/2015 da ANEEL, a unidade consumidora receberá em unidade monetária (Real) o valor da energia elétrica injetada na rede da concessionária.
Dentre as afirmativas, estão corretas
Provas
Considere as seguintes afirmativas relacionadas às instalações elétricas.
I A borracha etileno-propileno (EPR) é um tipo de isolação de condutores elétricos que tem temperatura máxima para serviço contínuo igual a 70 ºC.
II A origem de uma instalação elétrica é definida como o ponto de alimentação da instalação a partir do qual aplica-se a NBR 5410:2004.
III Barras de cobre de seção retangular instaladas em painéis elétricos de baixa tensão terão maior capacidade de condução de corrente se suas superfícies forem pintadas.
IV Em um esquema de aterramento do tipo TN-C, deverá ser instalado um dispositivo diferencial-residual (DR) somente se o condutor PE for de cobre.
Dentre as afirmativas, estão corretas
Provas
Caderno Container