Foram encontradas 400 questões.
Uma carga trifásica é alimentada por um circuito trifásico proveniente de um quadro geral de distribuição (QGD) conforme a figura a seguir.

Considere a tabela (queda de tensão em V/A.km) abaixo.

De acordo com a figura, com os dados apresentados e com base na tabela, a queda de tensão no circuito em volt, a queda de tensão percentual no circuito e a tensão na carga são, respectivamente,
Provas
A figura apresentada abaixo representa um método utilizado para localização do ponto de ocorrência de uma falta para terra em um cabo elétrico AB subterrâneo de baixa tensão com comprimento de 200 m. Um cabo CD em boas condições de uso e tendo as mesmas características (comprimento, seção transversal, resistividade e isolação) do cabo com defeito é utilizado para auxiliar na medição. Os terminais B e D são unidos por um cabo com baixa resistência. As ligações com a terra são excelentes.

Nessa figura, R1 e R2 são resistências, E é uma bateria e G um galvanômetro. Quando R1 = 54 Ω e R2 = 42 Ω, a ponte está em balanço, ou seja, a corrente no galvanômetro é zero. Considerando os elementos apresentados, o valor de x é
Provas
A figura a seguir apresenta de forma esquematizada um para-raios de carboneto de silício (SiC) ligado a uma rede elétrica trifásica de média tensão com neutro solidamente aterrado.

De acordo com a figura, com os dados apresentados e com o funcionamento de um para-raios, é correto afirmar que
Provas
Por uma estrutura metálica aterrada flui uma corrente de falta para o solo fazendo com que apareçam superfícies equipotenciais, conforme a figura ao lado, a qual apresenta também o gráfico dos potenciais no solo.
No momento em que a corrente flui para o solo, uma pessoa encostada na estrutura submete-se à uma tensão de toque e outra pessoa que está em pé próximo à estrutura submete-se à uma tensão de passo.
De acordo com a figura e com essas informações, é correto afirmar que a tensão de

Provas
A figura a seguir representa a proteção de uma estrutura através do Método da Esfera Rolante.

Nesse método, o raio r da esfera rolante representa a distância entre o ponto de partida do líder ascendente e a extremidade do líder descendente. Na equação adotada pela norma ABNT NBR 5419:2015, essa distância é
Provas
A figura ao lado mostra a configuração básica de um circuito chopper step-down (buck).
Esse circuito se caracteriza pela tensão média de saída (V0) ser menor que a tensão de entrada (Vi). Enquanto a chave S (podendo ser chaveada por qualquer dispositivo de chaveamento operando em PWM) estiver fechada, o diodo ficará polarizado reversamente e o indutor armazenando energia em forma de campo magnético. Nesta situação, tem-se que

Provas
O gráfico ao lado corresponde a um sinal de tensão fornecido por uma fonte AC. O sinal é visualizado em um osciloscópio.
Condição dos controles do osciloscópio:
− Ganho vertical: posição 0,5 mV/DIV
− Base de tempo: posição 0,15 µs/DIV
O valor da frequência do sinal é, aproximadamente, igual a

Provas
A figura abaixo apresenta um circuito com uma configuração clássica para um amplificador operacional.

O tipo de configuração representada na figura corresponde a um amplificador
Provas
Um transformador de 120 kVA, 13.800/380 V, quando ensaiado em curto-circuito, forneceu os valores mostrados na tabela abaixo:
![]()
O valor da corrente de curto-circuito (ICC) obtida no ensaio de CC é, aproximadamente, igual a
Provas
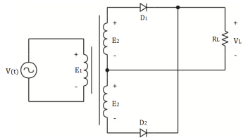
A figura abaixo representa um circuito retificador monofásico de onda completa.

São fornecidos os seguintes dados do circuito:
V(t) = 380sen(120πt + 10°) V; RL = 20 Ω; α = 2,4 (relação de espiras); RTJC = 1,0 °C/W; RTCD = 2,0 °C/W; VD = 0,7 V; rD = 40 mΩ; TJ = 150 °C; TA = 50 °C.
Nesse caso o valor da potência na carga RL é, aproximadamente, igual a
Considere √2 = 1,41
Provas
Caderno Container