Foram encontradas 50 questões.
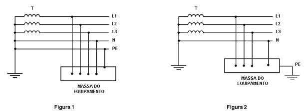
As figuras 1 e 2 mostram esquemas de aterramento utilizados em instalações elétricas de baixa tensão, conforme a NBR 5410.

Nessas figuras, T é o secundário do transformador, L1, L2 e L3 são as fases, N é o neutro e PE é o condutor de proteção. De acordo com tais informações, os esquemas de aterramento das figuras 1 e 2 são denominados, respectivamente,
Provas
Considere as afirmativas relacionadas aos motores elétricos.
I No motor síncrono, a velocidade é independente da tensão de alimentação.
II O motor de corrente contínua do tipo composto possui alto conjuga do de partida.
III O motor de corrente contínua do tipo série tem baixo conjugado de partida.
IV No motor de indução com rotor em gaiola de esquilo, a velocidade do campo girante é maior do que a velocidade do rotor.
Estão corretas as afirmativas
Provas
Um instrumento de bobina móvel tem resistência interna 100 Ω e valor de fim de escala 1 mA. Para transformá-lo em um amperímetro capaz de medir uma corrente igual a 1 A, deve-se ligar uma resistência em paralelo (shunt) com valor, aproximadamente,
Provas
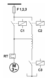
O circuito de força de uma chave compensadora utilizada para a partida de motores elétricos de indução está representado a seguir:

Baseando-se nessa chave de partida, considere as seguintes afirmativas:
I O autotransformador é ligado ao circuito do rotor do motor.
II Os elementos F 1,2,3 protegem o motor contra correntes de curto-circuito.
III Estando o tap na posição de 65%, a corrente de partida na linha é, aproximadamente, igual à corrente de acionamento de uma chave estrela-triângulo.
IV O conjugado de partida do motor é proporcional ao quadrado da tensão aplicada aos bornes do motor.
Estão corretas as afirmativas
Provas
Uma carga trifásica solicita 350 kW com um fator de potência em atraso de 0,84 quando ligada a uma rede de 380 V. A potência reativa fornecida por um banco de capacitores ligado em paralelo com a carga, necessária para aumentar o fator de potência total para 0,96 em atraso, e a redução resultante na corrente de entrada serão iguais, respectivamente, a
Considere: !$ \sqrt{3} = 1,73; \,\, cos^{-1} \,\, 0,84 = 32,86°; \,\, tg \, 32,86° = 0,65; \,\, cos^{-1} \,\, 0,96 = 16,26° = 0,29 !$
Provas
Um indutor de 0,4 mH e um capacitor de 2 μF são ligados em paralelo. A frequência de ressonância desse circuito é
Considere: !$ \pi = 3,14 !$
Provas
Um motor de indução trifásico de 6 polos, 60 Hz, gira a 1.140 RPM quando ligado a uma tensão de 220 V. Se a tensão de alimentação subir para 240 V, sua nova velocidade será, aproximadamente,
Provas
Um chuveiro elétrico está equipado com uma resistência elétrica de 3.200 W – 220 V. Ao ser ligado na posição INVERNO, esse chuveiro consome 30% mais potência. Nessa posição, a resistência do chuveiro e a corrente elétrica consumida são iguais a
Provas
Considere as afirmativas relacionadas às lâmpadas:
I A lâmpada de sódio de baixa pressão emite uma radiação quase monocromática.
II Quanto maior o valor da temperatura de cor de uma lâmpada, mais branca será a sua luz emitida.
III A lâmpada multivapor metálico requer um ignitor de partida para o seu funcionamento.
IV O reator utilizado com lâmpadas fluorescentes tem a finalidade de diminuir a tensão durante a ignição.
Estão corretas as afirmativas
Provas
O Auxílio-Funeral é um benefício do Plano de Seguridade Social do Servidor Público Federal. Com base na Lei n0 8.112/90, é correto afirmar que o Auxílio-Funeral
Provas
Caderno Container