Foram encontradas 48 questões.
- UniãoExecutivoDecreto 1.171/1994: Código de Ética do Servidor Público Civil do Poder Executivo Federal
A ética na Administração Pública envolve tomar
decisões baseadas no bem comum e no benefício
da sociedade, colocando interesses públicos acima
dos interesses pessoais ou privados. Isso inclui evitar
conflitos de interesse, combater a corrupção, promover a equidade e prestar contas de forma adequada.
O Decreto nº 1.171/1994 aprova o Código de Ética do Servidor Público Civil do Poder Executivo Federal. De acordo com este código, é correto afirmar que:
O Decreto nº 1.171/1994 aprova o Código de Ética do Servidor Público Civil do Poder Executivo Federal. De acordo com este código, é correto afirmar que:
Provas
Questão presente nas seguintes provas
As modalidades tarifárias são um conjunto de
tarifas aplicáveis aos componentes de consumo
de energia elétrica e demanda de potência ativa,
considerando as seguintes modalidades: azul, verde, convencional binômia, convencional monômia
e branca. Em relação ao enquadramento na tarifa
horosazonal verde, pode-se afirmar que:
Provas
Questão presente nas seguintes provas
- Instalações ElétricasAterramentos
- Sistemas Elétricos de PotênciaAnálise de SEPAnálise de Curto-circuitos
As causas mais frequentes da ocorrência de
curtos-circuitos em sistemas elétricos devem-se
a diversos fatores, dentre os quais: descargas
atmosféricas, falhas em cadeias de isoladores,
fadiga ou envelhecimento dos materiais, queda de
árvores sobre linhas aéreas, entre outros. Esses
defeitos (falhas) podem ocorrer entre:
I – as três fases. II – uma fase e o terra. III – duas fases. IV – duas fases e o terra.
Assinale a alternativa que enumera, em ordem crescente de gravidade, os efeitos causados por esses curtos-circuitos.
I – as três fases. II – uma fase e o terra. III – duas fases. IV – duas fases e o terra.
Assinale a alternativa que enumera, em ordem crescente de gravidade, os efeitos causados por esses curtos-circuitos.
Provas
Questão presente nas seguintes provas
- Medidas Elétricas
- Circuitos ElétricosCircuitos CACircuitos Trifásicos
- Transformadores e Máquinas ElétricasMáquina de Indução
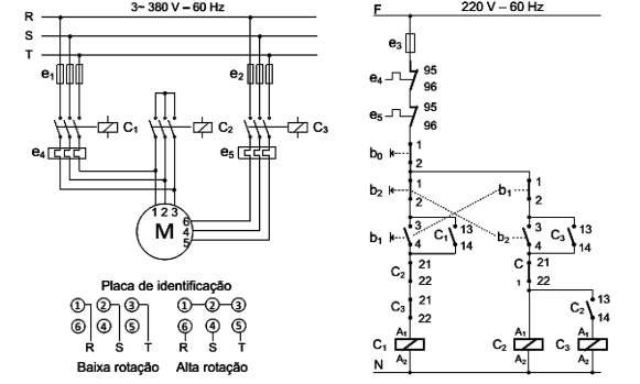
O motor de indução trifásico (MIT) é empregado na maioria dos acionamentos industriais devido à construção simples, durabilidade, adaptabilidade e eficiência. Observe os diagramas de força e comando mostrados na figura a seguir.
Podemos afirmar que os diagramas se referem ao acionamento de um:
Podemos afirmar que os diagramas se referem ao acionamento de um:
Provas
Questão presente nas seguintes provas
Uma carga trifásica equilibrada, ligada em ESTRELA, é alimentada por um sistema trifásico, simétrico, com sequência de fases ABC. Considere a montagem mostrada na figura a seguir, onde a bobina amperimétrica do medidor está conectada na fase A e os terminais da bobina voltimétrica, entre as fases B e C do sistema.

Provas
Questão presente nas seguintes provas
Em um experimento, foi constatado que o valor
obtido para a resistência da malha de aterramento
de uma determinada edificação está muito elevado,
sendo necessária a adoção de medidas de modo a
reduzi-lo. Considere os procedimentos listados nas
proposições a seguir:
I – Aprofundar as hastes de aterramento.
II – Aumentar a resistência interna do equipamento de medição.
III – Reduzir a área de medição referente à malha de aterramento.
IV – Aumentar o número de hastes conectadas em paralelo.
V – Realizar o tratamento do solo com gel químico.
As possíveis soluções para a diminuição do valor da resistência de aterramento estão descritas nos itens:
I – Aprofundar as hastes de aterramento.
II – Aumentar a resistência interna do equipamento de medição.
III – Reduzir a área de medição referente à malha de aterramento.
IV – Aumentar o número de hastes conectadas em paralelo.
V – Realizar o tratamento do solo com gel químico.
As possíveis soluções para a diminuição do valor da resistência de aterramento estão descritas nos itens:
Provas
Questão presente nas seguintes provas
- Medidas Elétricas
- Circuitos ElétricosCircuitos CACircuitos Trifásicos
- Transformadores e Máquinas Elétricas
Um alternador síncrono trifásico apresenta os
seguintes dados de placa: 50 MVA, 13,2 kV e
XS = 0,20 pu. Essa mesma reatância XS, quando
expressa em uma nova base de 100 MVA e 13,8
kV, terá o valor de:
Provas
Questão presente nas seguintes provas
Três motores de indução trifásicos são ligados,
simultaneamente, a um único alimentador com tensão de linha igual a 220 V. As especificações desses
equipamentos são mostradas na tabela a seguir.
Assinale a alternativa que indica a mínima capacidade de corrente possível para este ramal alimentador.
Assinale a alternativa que indica a mínima capacidade de corrente possível para este ramal alimentador.
Provas
Questão presente nas seguintes provas
Em relação às práticas adotadas quanto à conservação de energia elétrica, analise as proposições a seguir:
I – Limitar a utilização de aparelhos de ar-condicionado somente em dependências ocupadas.
II – Utilizar equipamentos elétricos em horário de ponta (das 18h às 21h).
III – Utilizar, preferencialmente, luminárias abertas, retirando, quando possível, o protetor de acrílico das mesmas.
IV – Promover campanhas sobre a redução do consumo de água, visando reduzir os gastos com energia elétrica durante o seu bombeamento.
V – Guardar líquidos e alimentos ainda quentes em geladeiras ou freezers.
As ações que contribuem efetivamente para a conservação de energia elétrica estão descritas apenas nos itens:
I – Limitar a utilização de aparelhos de ar-condicionado somente em dependências ocupadas.
II – Utilizar equipamentos elétricos em horário de ponta (das 18h às 21h).
III – Utilizar, preferencialmente, luminárias abertas, retirando, quando possível, o protetor de acrílico das mesmas.
IV – Promover campanhas sobre a redução do consumo de água, visando reduzir os gastos com energia elétrica durante o seu bombeamento.
V – Guardar líquidos e alimentos ainda quentes em geladeiras ou freezers.
As ações que contribuem efetivamente para a conservação de energia elétrica estão descritas apenas nos itens:
Provas
Questão presente nas seguintes provas
Uma indústria, com capacidade de carga instalada de 250 kW, apresenta a curva de demanda
diária representada no gráfico a seguir. Assinale
a alternativa que apresenta o fator de demanda
(fd
) e o fator de carga (fc
) dessa instalação.


Provas
Questão presente nas seguintes provas
Cadernos
Caderno Container