Foram encontradas 1.390 questões.
Para a fabricação de furos com tolerâncias de qualidade ISO IT7 devem ser utilizadas ferramentas denominadas:
Provas
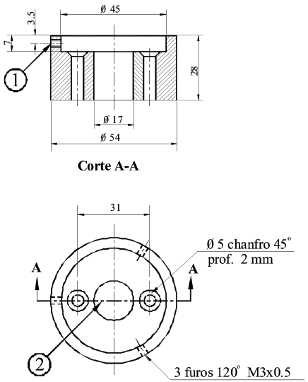
Observe o desenho técnico mostrado abaixo:

A seta 2 indica:
Provas
Observe a figura abaixo:

O valor da medida de uma matriz indicada no vernier do paquímetro nessa figura é:
Provas
Observe o instrumento de medição abaixo:

O tipo de medida nele obtida é:
Provas
O instrumento utilizado para medidas angulares é denominado:
Provas
Os instrumentos utilizados em uma linha de produção para uma rápida e segura verificação dimensional de eixos e furos são denominados:
Provas
A denominação do calibrador cuja superfície de medida sofre desgaste durante o uso é:
Provas
Em uma produção seriada, as peças que apresentam suas dimensões fora dos limites de tolerância são chamadas:
Provas
Em uma produção seriada, o tipo de ajuste em que os acoplamentos apresentam ora o eixo maior do que o furo, ora o furo maior do que o eixo, é denominado:
Provas
O grau com que a forma da peça fabricada difere da forma da peça projetada é especificado por:
Provas
Caderno Container