Foram encontradas 40 questões.
Instrução: A questão refere-se ao texto abaixo.
As noções(I) de trabalho, emprego, segurança social, tratadas quase como sinônimas, mudaram com o passar do tempo, em interação com a evolução da sociedade e das condições da produção. Da mesma forma, mudaram as realidades que se escondem por trás dessas noções.
Vários são os fatores que, conjuntamente e em interação, contribuíram para(II) a construção desta nova realidade do trabalho. Entre eles podem-se citar a globalização econômica e a disseminação das inovações tecnológicas e organizacionais; as transformações no papel dos estados; a disseminação do individualismo como valor nas sociedades contemporâneas e o crescimento da participação feminina no mercado de trabalho.
O impacto desses fatores pode ser percebido na nova configuração do mercado de trabalho – com o aumento do nível de desemprego, o crescimento da informalização nas relações trabalhistas, o deslocamento setorial do emprego –, e na transformação ocorrida nos requisitos funcionais, com a exigência de novas habilidades e competências.
Nas últimas décadas, por exemplo, as mulheres invadiram o mercado de trabalho. No Brasil, a participação feminina aumentou expressivamente: em 1999, ela representava 41,4% da população economicamente ativa contra 31,7% em 1979. O ingresso dessas mulheres no mercado de trabalho veio associado a transformações nas relações familiares e conjugais. Os avanços, no entanto, encobrem obstáculos importantes a serem superados no século XXI.
As mulheres representam mais de 40% da força de trabalho no país. Todavia, a inserção ainda é, muitas vezes, preponderante em ocupações e ofícios que guardam correlação direta com as funções que desempenham no espaço doméstico, ou seja, têm menor statussocial, demandam menor qualificação formal e, em consequência, pagam salários menores.
Em São Paulo, conforme já publicado, as mulheres recebem, por hora, 76% do rendimento obtido pelos homens, e o desemprego feminino fica sempre acima do masculino. Quanto maior a escolaridade, maior a diferença salarial entre homens e mulheres na mesma ocupação, padrão esse que se repete em muitos países. Não obstante, a diferença em relação aos homens está caindo. Projeções indicam que, daqui a 30 anos, não haverá mais(III) discriminação salarial contra elas.
O mercado de trabalho requer praticidade e constante atualização de informações. Quem não está apto, informatizado e disposto a inovar ficará, provavelmente, aquém das necessidades de nossa época.
Adaptado de: FREITAS, M. D. de.
Mercado de trabalho; inovações tecnológicas na era da informática. Disponível em: <http://revistagrandestemas.blogspot.com/2010/05/mercado- de-trabalho-texto-de-mateus.html>. Acesso em: 01 set. 2018.
Considere as seguintes propostas de substituição de vocábulos do texto.
I - A substituição de noções por conceitos, no segmento que se estende da linha 01 à linha 04, implicaria outras cinco (5) alterações no parágrafo.
II - A substituição de contribuíram para por levaram criaria condições para o emprego da crase na frase.
III - A substituição de mais por tanta não provocaria alteração no sentido da frase.
Quais estão corretas?
Provas
Observe o circuito abaixo.

Considerando a corrente DC de base do transistor bipolar da figura acima como desprezível, que a tensão emissor-base (tensão de emissor menos tensão de base) vale 0,7 Volts, que a tensão Vcc vale 6 Volts, que os resistores R1, R2, RC e RE valem, respectivamente, 10000 Ohms, 20000 Ohms, 1000 Ohms e 1000 Ohms, então, a corrente de coletor IC e a tensão VCE (tensão de coletor menos tensão de emissor), nessa ordem, valem aproximadamente:
Provas
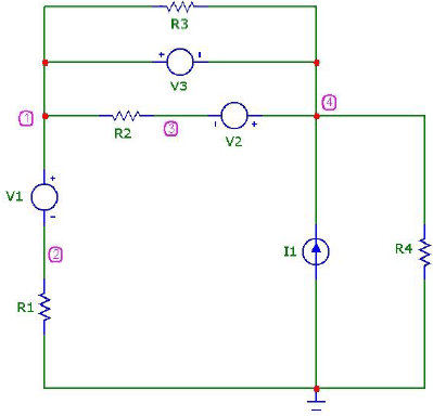
No circuito abaixo, V1=10V, V2=20V, V3=10V, I1=25A, R1=20Ω, R2=12Ω, R3=50Ω e R4=5Ω.

Respectivamente, os valores da tensão no nó “1” em relação ao nó terra, da tensão no nó “4” em relação ao nó terra e da corrente que atravessa o Resistor R1, são aproximadamente:
Provas
Considere os dados abaixo.
a = 0;
b = 1;
imprimir(b);
i = 0;
enquanto (i < 10) fazer
{
i = i + 1;
auxiliar = a + b;
a = b;
b = auxiliar;
imprimir(auxiliar);
}
Para o pseudoprograma acima, quais são os primeiros cinco resultados impressos?
Provas
Observe o circuito abaixo.

Na figura acima, considerando o diodo zener DZ ideal de valor nominal 5,1 Volts, a corrente DC de base do transistor bipolar como desprezível, que a tensão emissor-base (tensão de emissor menos tensão de base) vale 0,7 Volts, que a tensão Vcc vale 15 Volts, que os resistores R1, R2 e R3 valem, respectivamente, 200 Ohms, 1000 Ohms e 2000 Ohms, então, a corrente IZ e a corrente IL, nessa ordem, valem aproximadamente:
Provas
Considere a figura abaixo.

Sendo a tensão no ponto V1 igual a 12 Volts, o resistor RA igual a 1000 Ohms, o resistor RB igual a 1500 Ohms, o resistor RC igual a 500 Ohms e o amplificador operacional ideal, então, a tensão no ponto V2 no circuito acima é de aproximadamente:
Provas
No circuito abaixo, V1=10V, V2=20V, V3=20V, R1=10Ω, R2=10Ω, R3=5Ω e RL=1Ω.

A corrente IL na resistência RL e a potência dissipada na resistência RL, nessa ordem, valem aproximadamente:
Provas
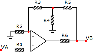
Observe a figura abaixo.

Sendo o amplificador operacional ideal, a tensão no ponto VA igual a 1,5 Volts, os resistores R1, R2, R3, R4, R5 e R6 todos iguais a 1000 Ohms, então, a tensão no ponto VB no circuito acima é de aproximadamente:
Provas
Instrução: A questão refere-se ao texto abaixo.
As noções de trabalho, emprego, segurança social, tratadas quase como sinônimas, mudaram com o passar do tempo, em interação com a evolução da sociedade e das condições da produção. Da mesma forma, mudaram as realidades que se escondem por trás dessas noções.
Vários são os fatores que, conjuntamente e em interação, contribuíram para a construção desta nova realidade do trabalho. Entre eles podem-se citar a globalização econômica e a disseminação das inovações tecnológicas e organizacionais; as transformações no papel dos estados; a disseminação do individualismo como valor nas sociedades contemporâneas e o crescimento da participação feminina no mercado de trabalho.
O impacto desses fatores pode ser percebido na nova configuração do mercado de trabalho – com o aumento do nível de desemprego, o crescimento da informalização nas relações trabalhistas, o deslocamento setorial do emprego –, e na transformação ocorrida nos requisitos funcionais, com a exigência de novas habilidades e competências.
Nas últimas décadas, por exemplo, as mulheres invadiram o mercado de trabalho. No Brasil, a participação feminina aumentou expressivamente: em 1999, ela representava 41,4% da população economicamente ativa contra 31,7% em 1979. O ingresso dessas mulheres no mercado de trabalho veio associado a transformações nas relações familiares e conjugais. Os avanços, no entanto, encobrem obstáculos importantes a serem superados no século XXI.
As mulheres representam mais de 40% da força de trabalho no país. Todavia, a inserção ainda é, muitas vezes, preponderante em ocupações e ofícios que guardam correlação direta com as funções que desempenham no espaço doméstico, ou seja, têm menor statussocial, demandam menor qualificação formal e, em consequência, pagam salários menores.
Em São Paulo, conforme já publicado, as mulheres recebem, por hora, 76% do rendimento obtido pelos homens, e o desemprego feminino fica sempre acima do masculino. Quanto maior a escolaridade, maior a diferença salarial entre homens e mulheres na mesma ocupação, padrão esse que se repete em muitos países. Não obstante, a diferença em relação aos homens está caindo. Projeções indicam que, daqui a 30 anos, não haverá mais discriminação salarial contra elas.
O mercado de trabalho requer praticidade e constante atualização de informações. Quem não está apto, informatizado e disposto a inovar ficará, provavelmente, aquém das necessidades de nossa época.
Adaptado de: FREITAS, M. D. de.
Mercado de trabalho; inovações tecnológicas na era da informática. Disponível em: <http://revistagrandestemas.blogspot.com/2010/05/mercado- de-trabalho-texto-de-mateus.html>. Acesso em: 01 set. 2018.
A substituição de mulheres por mulher acarreta a modificação, para fins de concordância, de quantas outras palavras no quinto parágrafo do texto?
Provas
No circuito abaixo, I1=50A, R1=10Ω, R2=20Ω, R3=30Ω e R4=50Ω.

Assinale a alternativa que apresenta a tensão e a resistência do Circuito Equivalente de Thévenin, em relação ao nó “3” e ao nó de referência, que é o terra, sem considerar o resistor R4.
Provas
Caderno Container