Foram encontradas 690 questões.
Os equipamentos experimentais devem ser sempre transportados de um local para outro, objetivando, prioritariamente, a conservação desses equipamentos.
Provas
As vidrarias volumétricas, tais como balão, pipeta e backer, devem ser secas em estufa e não ao ar livre.
Provas
Os fios de um circuito elétrico devem ser puxados lentamente para desfazer as conexões.
Provas

O dispositivo A que registra corrente induzida na bobina, nos instantes em que a chave C é fechada e aberta, é um galvanômetro.
Provas
O campo magnético produzido por um solenoide pode ser detectado experimentalmente, utilizando-se uma fonte de tensão contínua, fios de ligação, um solenoide e ímãs ou limalhas de ferro.
Provas
A figura representa um dispositivo para produzir ondas estacionárias em um fio, com o uso de um alto-falante que funciona como uma fonte excitadora vibrando com a frequência de 60,0Hz. Sabe-se que o alto-falante é constituído de um ímã permanente fixo e de uma bobina móvel que envolve o ímã e sabe-se ainda que essa bobina se encontra ligada a um cone de papelão, que o rolo de 10,0m do fio tem 50,0g e que a distância entre as extremidades A e B é de 1,0m.

Nessas condições, pode-se afirmar:
O peso da carga que traciona o fio para produzir a configuração das ondas estacionárias é igual a 72,0N.
Provas
A figura representa um dispositivo para produzir ondas estacionárias em um fio, com o uso de um alto-falante que funciona como uma fonte excitadora vibrando com a frequência de 60,0Hz. Sabe-se que o alto-falante é constituído de um ímã permanente fixo e de uma bobina móvel que envolve o ímã e sabe-se ainda que essa bobina se encontra ligada a um cone de papelão, que o rolo de 10,0m do fio tem 50,0g e que a distância entre as extremidades A e B é de 1,0m.

Nessas condições, pode-se afirmar:
A frequência da vibração do alto-falante é produzida pela força magnética que movimenta a bobina, que se encontra ligada ao cone de papelão.
Provas
A figura representa um dispositivo para produzir ondas estacionárias em um fio, com o uso de um alto-falante que funciona como uma fonte excitadora vibrando com a frequência de 60,0Hz. Sabe-se que o alto-falante é constituído de um ímã permanente fixo e de uma bobina móvel que envolve o ímã e sabe-se ainda que essa bobina se encontra ligada a um cone de papelão, que o rolo de 10,0m do fio tem 50,0g e que a distância entre as extremidades A e B é de 1,0m.

Nessas condições, pode-se afirmar:
A função do transformador no experimento é converter a tensão alternada em tensão contínua.
Provas
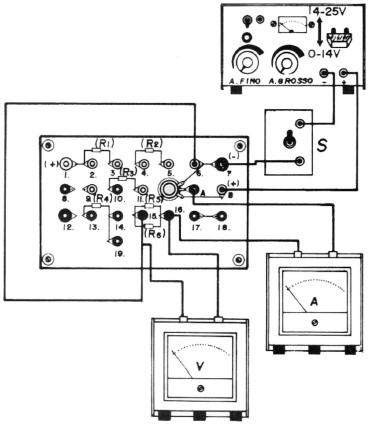
A figura representa um circuito constituído por um painel de associação de resistores, uma fonte de tensão contínua, um amperímetro, um voltímetro, cinco resistores — cada um com a resistência elétrica igual a 100,0!$ Ω !$ —, uma chave S e fios de ligações. Sabe-se que a fonte de tensão é regulada para 10,0V e que a chave S se encontra aberta.

A partir da análise da figura, com a chave S fechada, pode-se afirmar:
O seletor de escala do voltímetro e o do amperímetro devem estar ajustados para o fundo da maior escala, antes de ligar a fonte de tensão do circuito.
Provas
A figura representa um circuito constituído por um painel de associação de resistores, uma fonte de tensão contínua, um amperímetro, um voltímetro, cinco resistores — cada um com a resistência elétrica igual a 100,0!$ Ω !$ —, uma chave S e fios de ligações. Sabe-se que a fonte de tensão é regulada para 10,0V e que a chave S se encontra aberta.

A partir da análise da figura, com a chave S fechada, pode-se afirmar:
A leitura do amperímetro e do voltímetro são, respectivamente, iguais a 2,0A e 5,0V.
Provas
Caderno Container