Foram encontradas 40 questões.
O desempenho econômico previsto para um processo em fase de projeto e o desempenho econômico real de um processo em operação podem ser medidos através de critérios expressos por funções do tipo lucro ou custo. Além disso, os projetos podem envolver grandes recursos financeiros, sendo assim, é de grande importância avaliar o custo-benefício do projeto. Considere que uma empresa decidiu investir em um projeto de um trocador de calor mais eficiente e elaborou a seguinte tabela:

Utilizando o método de payback simples, defina qual é o tempo de retorno de investimento, caso a empresa decida implementar este projeto.
Provas
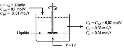
No reator continuo ideal de mistura perfeita (CSTR), o conteúdo é bem agitado e uniforme, em todo reator. Assim, a corrente de saída deste reator tem a mesma composição que o fluido no interior do reator. Considere que um litro por minuto de um líquido contendo A e B (CA0 = 0,10 mol/L, CB0 = 0,010 mol/L) escoa em reator de mistura perfeita de volume V= 1 L. Os materiais reagem de uma forma complexa, com estequiometria desconhecida. A corrente de saída do reator contém A, B e C (CAf = 0,02 mol/L, CBf = 0,03 mol/L e Ccf; = 0,04 mol/L), como mostra a imagem a seguir:

Diante do exposto, é possível afirmar que a taxa de reação de A, B e C será, respectivamente:
Provas
As vidrarias são utensílios essenciais para o cotidano de um laboratório, estando disponíveis em vários formatos e tamanhos. Em função das necessidades de análises, grandes quantidades de vidraria são utilizadas no dia a dia de um laboratório químico. Diante do exposto, assinale a alternativa CORRETA.
Provas
As análises microbiológicas são necessárias para determinar a qualidade do alimento, seja através da determinação da vida de prateleira ou vida útil do produto, seu consumo seguro ou se está de acordo com os critérios microbiológicos estabelecidos para esse alimento. Com base nas análises microbiológicas, assinale a alternativa CORRETA.
Provas
O estudo do escoamento e bombeamento de fluidos é de fundamental importância para diversos segmentos da engenharia e da indústria, pois abrange desde sistemas simples de transporte de água, até processos de fabricação e produção de alimentos, produtos quimicos, farmacêuticos, etc. Um sistema de tubulação transporta óleo de uma refinaria para um terminal de armazenamento. A seção transversal da tubulação na refinaria é de 0,2 m2, e a velocidade do óleo 1,5 m/s. No terminal de armazenamento, a seção transversal da tubulação é reduzida para 0,1 m2. Se a densidade do óleo é de 900 kg/m3, qual a velocidade do óleo no terminal de armazenamento?
Provas
O equilíbrio liquido-vapor é o fenômeno que ocorre com todo líquido quando mantido em sistema fechado. O líquido tende a entrar naturalmente em equilíbrio termodinâmico com seu vapor. Os problemas de equilíbrio de fases encontrados frequentemente pelos Engenheiros Químicos envolvem equilíbrio liquido-vapor. Considere um sistema liquido contendo 30% de n-pentano (1), 30% de cicloexano (2), 20% de n-hexano (3) e 20% de n-heptano (4), a 333 K. Diante do exposto, assinale a alternativa que contém a pressão aproximada do sistema.
(Dados: considere a lei de Raoul: yiP = XiPsat e a tabela abaixo.)

Provas
Os processos químicos industriais são quaisquer processos de transformação industrial de matérias-primas em produtos, por meio de transformações químicas ou físico-químicas, sendo estes dotados, na maior parte dos casos, de características e propriedades físicas e/ou químicas, diferentemente das matérias-primas que os originaram. Com base no controle dos processos químicos, analise as assertivas:
|. Produção em batelada é o tipo de produção em pequena escala, na qual são gerados produtos em etapas de produção com períodos de tempo de processo bem definidos.
Il. Para a produção em batelada, é usado o Reator de Batelada, o qual admite entrada de reagentes e saída de produtos durante o processo de reação, sendo alimentado da quantidade estequiométrica dos reagentes no início, tendo os produtos obtidos descarregados.
IIl. Os reatores em batelada têm um menor custo de instalação e controle. Se comparados aos reatores contínuos, permitem um longo tempo de reação, testar inovações e desenvolver novos produtos, mas, por outro lado, não são viáveis para produção em larga escala.
IV. Produção em fluxo contínuo é o tipo de produção em grande escala na qual são gerados produtos em processos de reação transiente, cujo tempo de reação, chamado de tempo de residência no reator, é determinado pela concentração dos reagentes e pelo volume do reator.
V. Para a produção em fluxo continuo, são usados dois tipos de reatores: CSTRs (Continuous stirred-tank reactor — reator de tanque de agitação continua) e os reatores tubulares.
Estão CORRETAS:
Provas
A interdependência dos equipamentos constitui uma fonte de complexidade na análise de processos. Esta dificuldade pode ser em parte reduzida ao se analisar cada equipamento previamente, tomando conhecimento das peculiaridades do seu modelo matemático, antes da interferência dos demais equipamentos. O resultado da ordenação das equações para o dimensionamento e para a simulação de equipamentos é função do conjunto das variáveis especificadas, que é diferente em cada caso. Diante do exposto, relacione a Coluna 2 de acordo com a Coluna 1, correlacionando o equipamento com as respectivas variáveis de projeto de dimensionamento.
COLUNA 1
1. Resfriador
2. Condensador
3. Misturador
4. Extrator
COLUNA 2
( ) São consideradas conhecidas a vazão da corrente de processo e as condições das correntes de entrada, sendo as metas o tempo de residência, necessário para o cálculo de volume e a fração recuperada. Como exemplo, o objetivo é determinar o volume do decantador e a vazão de benzeno necessários para recuperar 60% do ácido benzoico presente na corrente de alimentação, com um tempo de residência de 5 min. A temperatura do benzeno é 25 ºC.
( ) São consideradas conhecidas a vazão da corrente de processo e as condições das correntes de entrada, sendo as metas as temperaturas de saída. Como exemplo, o objetivo é determinar a vazão de água e a área de troca térmica. O fluido de interesse é benzeno de vapor saturado a líquido saturado, e a água se encontra a 15 ºC e deve saira 30 ºC.
( ) São consideradas conhecidas a vazão da corrente de processo e as condições das correntes de entrada, sendo as metas as temperaturas de saída. Como exemplo, o objetivo é determinar a vazão de água e a área de troca térmica. O fluido de interesse é benzeno líquido saturado, e a água se encontra a 15 ºC e deve sair a 30 ºC.
( ) São consideradas conhecidas a vazão da corrente de processo e as condições das correntes de entrada, sendo a meta a vazão de saída. Como exemplo, o objetivo é determinar a vazão de benzeno necessária para produzir, com os 30.000 kg/h de outra corrente, uma corrente final com 40.000 kg/h. As duas correntes de entrada se encontram a 25 ºC, resultando 25 ºC também para a corrente de saida.
Qual alternativa preenche, CORRETAMENTE, os parênteses, na ordem em que aparecem?
Provas
Dados experimentais de reações químicas são obtidos por meio de ensaios conduzidos em um recipiente denominado reator químico, em diferentes condições operacionais. Há uma grande variedade de tipos e configurações de reatores em que se pode realizar experimentos de laboratório e obter dados cinéticos. Em relação às configurações de reatores, analise as afirmações e julgue V, para as verdadeiras, ou F, para as falsas.
( ) O reator descontinuo ou batelada é um tanque com operação descontinua e conteúdo reacional, geralmente agitado durante todo o tempo que a reação está sendo conduzida.
( ) O reator de tanque contínuo, conhecido como CSTR, é um equipamento em forma de tanque, com operação contínua, no qual, durante a realização de uma reação química, ocorrem adição e remoção continua de matéria simultaneamente ao reator.
( ) Reatores tubulares são reatores que têm forma de tubos pelos quais entram reagentes por uma extremidade, escoam, reagem e, transformados em produtos, saem pela outra extremidade.
( ) O reator ideal, conhecido como CSTR, é aquele projetado ou analisado com base nos modelos conhecidos, sendo uma representação ou interpretação completa de um reator real, facilitando o direcionamento da compreensão e visualização dos fenômenos observados durante a reação.
Qual alternativa preenche, CORRETAMENTE, os parênteses, na ordem em que aparecem?
Provas
Há muitas maneiras de processar um fluido: em um único reator descontínuo (batelada) ou contínuo; em uma série de reatores, possivelmente com alimentação por injeção ou aquecimento, ambos entre estágios; em um reator com reciclo da corrente do produto, usando várias condições e razões de alimentação, etc. A disposição de reatores mostrada abaixo consiste de três reatores pistonados em duas linhas paralelas. A linha D tem um reator de volume 50 litros, seguida de um reator de volume igual a 30 litros. Já a linha E tem um reator de volume 40 litros.

Qual é a fração de alimentação que deve ir para a linha D?
Provas
Caderno Container