Foram encontradas 1.135 questões.
Uma luminária industrial está montada a 5 metros do piso e sua curva de distribuição luminosa tem seus valores dados em candelas/1000 lúmens, mostrada no diagrama polar abaixo. Considerando-se que a lâmpada instalada na luminária tem um fluxo luminoso de 6250 lúmens, pode-se dizer que a iluminação máxima em lux, no piso na vertical abaixo da luminária é

Provas
Considerando-se o circuito a seguir, em que as tensões da fonte são equilibradas, simétricas e defasadas de 120° entre si, com Van = 220 V e a impedância da carga é dada por Z = 20 + j 0, o módulo da corrente Ib será

Provas
Quando se trata de sensores eletrônicos, pode-se dividi-los basicamente em dois tipos: sensores analógicos e sensores digitais. Os sensores analógicos são os dispositivos mais comuns. Tais sensores são assim designados, pois baseiam-se em sinais analógicos. Já os sensores digitais baseiam-se em níveis de tensão bem definidos. Tais níveis de tensão podem ser descritos como alto ou baixo, ou simplesmente “1” e “0”, ou seja, esses sensores utilizam lógica binária. Com base na afirmação acima e observando-se o gráfico abaixo, é verdade afirmar que

Provas
Um circuito ressonante possui uma bobina com as seguintes características: Rb = 8 !$ Ω !$ e L = 10!$ μ !$H. Sabendo-se que o circuito entra em ressonância na frequência de 8 /π MHZ,o fator de qualidade da bobina é
Provas
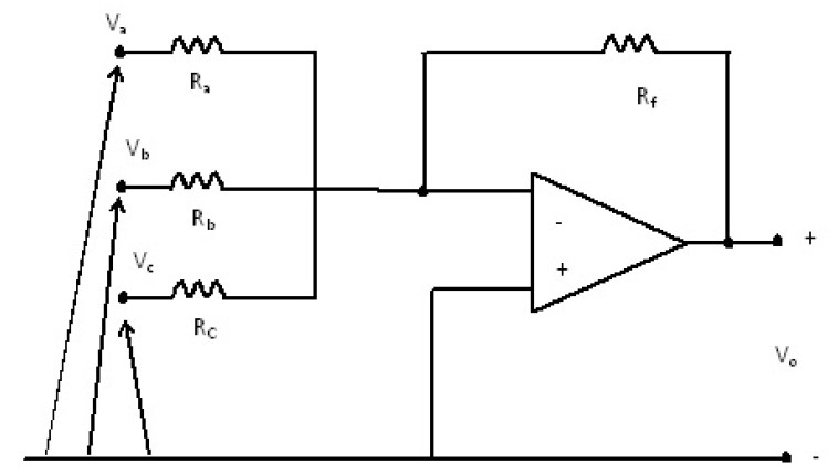
A determinação da voltagem de saída V0 para o amplificador mostrado abaixo, em que as medidas das grandezas são Ra = 1 M!$ Ω !$, Rb = 2 M!$ Ω !$, Rc = 0,1 M!$ Ω !$, Rf = 1M!$ Ω !$, Va = 20 V, Vb = --100V e Vc = 20V, é

Provas
Para um sistema de controle foi modelado o diagrama a seguir, em que E é a entrada e S é a saída.

Pode-se afirmar que a função de transferência para este modelo é
Provas
É comum a utilização de linhas monofásicas a dois condutores de raios iguais a r e espaçadas no ar a uma distância R. Um dos efeitos da corrente elétrica que trafega na linha é a força mecânica entre os condutores. Sobre esta força, é FALSO afirmar que
Provas
O circuito abaixo foi montado com o objetivo de determinar os parâmetros de um forno à indução representado no modelo por sua resistência e indutância. As leituras obtidas foram: P = 4000W, V = 380V e I = 20A. Com essa experiência, a impedância e a resistência são, respectivamente,
Provas
Para o circuito mostrado abaixo, tem-se uma fonte senoidal de tensão eficaz 100 √2 V, resistência R = 1!$ Ω !$ , XL=j2!$ Ω !$ e Xc =-- j 1!$ Ω !$.

Considerando-se essas informações, a corrente elétrica I do circuito será
Provas
Quando uma onda progressiva caminha por um meio material 1 e encontra um meio material 2 com uma fronteira plana entre os dois meios, essa onda se chama incidente. A onda que bate na fronteira e volta para o meio 1 se chama onda refletida. Define-se coeficiente de reflexão ρ a razão entre as ondas refletida e incidente. Considerando-se o texto, pode-se afirmar que a grandeza em ρ
Provas
Caderno Container