Foram encontradas 45 questões.
Na figura abaixo, o centro do alvo representa o valor verdadeiro ou real de uma tensão a ser medida. Os pequenos pontos escuros representam as várias medidas realizadas. Cada alvo representa um dos quatro instrumentos diferentes: 1, 2, 3 e 4. Os gráficos, abaixo dos alvos, representam a distribuição de probabilidade das medidas realizadas em cada instrumento, respectivamente. A linha vertical mostra a localização do valor real ou verdadeiro em relação à distribuição de probabilidade.

Tendo em vista a figura acima, são CORRETAS as afirmativas, EXCETO:
Provas
Um microcontrolador com registradores de 8 bits executa a sequência de instruções a seguir:
MOV A,2Fh
MOV B,4Ah
MOV C,33h
ADD B
ORA C
Assinale a alternativa que mostra o conteúdo CORRETO do registrador A ao final da execução do código.
Provas
Considere a tabela:

Assinale a alternativa que fornece as funções lógicas de controle do FF JK que implementam a máquina de estados para a saída B3 .
Provas
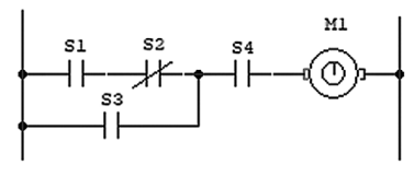
A figura, a seguir, mostra o controle de um motor M1 usando Diagrama Ladder:

A função lógica correspondente ao diagrama Ladder é dada por:
Provas
Provas
Analise as afirmativas sobre os transistores bipolares, marcando (V) para verdadeiro e (F) para falso.
( ) A operação do transistor NPN é análoga à do PNP, porém com os papeis desempenhados pelos elétrons e lacunas trocados.
( ) A camada que corresponde à base, num transistor bipolar, deve ser fortemente dopada para que os portadores minoritários apareçam em número reduzido.
( ) A região ativa de operação de um transistor bipolar é caracterizada pela existência de duas junções diretamente polarizadas.
( ) Um transistor bipolar fortemente saturado deverá ser mais facilmente comutado para o corte que um outro fracamente saturado.
( ) O fator de amplificação, para a configuração emissor comum é representado pelo símbolo β (BETA), sendo dado por β = Ic / Ib , com valor sempre maior que 1.
A sequência correta é:
Provas
Provas
Provas
Provas
Provas
Caderno Container