Foram encontradas 50 questões.
Considerando a expressão booleana S = A.(B + C) + D e a sequência da tabela da verdade a seguir, assinale a alternativa que apresente os resultados de S, na respectiva ordem das possiblidades de A, B, C e D apresentada nesta tabela.

Provas
É dado o sistema abaixo, cujos elementos não-nulos da matriz de admitância de barras associada (matriz Ybus) são: Y1,1, Y2,2, Y3,3, Y1,2, Y2,3 . As ligações no sistema correspondem a transformadores ou linhas de transmissão. Suponha que o problema de fluxo de carga referente ao funcionamento do sistema foi resolvido com sucesso pelo método de Newton-Raphson desacoplado. A partir dessas informações, avalie os itens a seguir e assinale a alternativa correta.

Provas
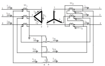
O esquema da figura a seguir corresponde a um esquema de ligação típico de qual função de proteção?

Provas
Disciplina: Legislação Específica das Agências Reguladoras
Banca: UFMA
Orgão: UFMA
Qual das alternativas a seguir corresponde à Resolução Normativa da ANEEL, que estabelece as condições gerais para o acesso de microgeração e minigeração, distribuídas aos sistemas de distribuição de energia elétrica, o sistema de compensação de energia elétrica, e dá outras providências.
Provas
- Transformadores e Máquinas ElétricasPrincípios BásicosControle Eletrônico de Máquinas Elétricas
- Transformadores e Máquinas ElétricasMáquinas Assíncronas
O diagrama ilustrado abaixo mostra um motor de indução trifásico alimentado por uma rede elétrica trifásica em que as fases são A, B e C e o motor é comandado por chaves contatoras K1 e K2. Com base no funcionamento do circuito e no diagrama, assinale a opção correta.

Provas
- Transformadores e Máquinas ElétricasPrincípios BásicosPerdas, rendimento, torque, potência, ângulo de potência e funcionamento geral
Os motores de propulsão usados num navio de guerra têm especificação de 5900 HP, trifásicos, 2400 V, 62,5 Hz e 139 rpm. Assinale a alternativa correta que apresente, respectivamente, as respostas dos seguintes quesitos: (x) Quantos polos eles possuem? (y) A velocidade desses motores pode ser alternada variando-se a frequência da alimentação numa faixa entre 16 e 62,5 Hz. Quais as velocidades máxima e mínima?
Provas
Para a figura a seguir, suponha que o condutor terra conectado ao disjuntor de 40 A esteja ligado a um eletrodo de aterramento localizado embaixo do quadro de distribuição e que as tomadas 2P+T vão ser aterradas através do barramento de terra. Qual o nome deste tipo de aterramento?

Provas
- Transformadores e Máquinas ElétricasMáquinas Assíncronas
- Transformadores e Máquinas ElétricasMáquinas Síncronas
Assinale a alternativa que associa corretamente o tipo de motor com as suas características.
Tipos de Motor Trifásicos
(1) Motor de indução
(2) Motor síncrono
(3) Comum a ambos
Características
(@) Existe campo girante no estator.
(#) O rotor é alimentado por uma fonte CC.
($) É utilizado para velocidades estáveis sob carga variáveis.
(%) É o mais utilizado pela sua robustez, simplicidade e baixo custo.
(&) Pode encontrar-se com o circuito de armadura no estator ou no rotor.
Provas
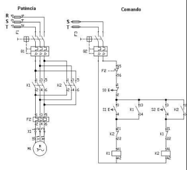
Identifique o tipo de chave de partida referente aos circuitos de potência e de comando a seguir.

Provas
- Transformadores e Máquinas ElétricasPrincípios BásicosPerdas, rendimento, torque, potência, ângulo de potência e funcionamento geral
Um transformador cujo primário está ligado a uma fonte de 110 V libera 11 V. Se o número de espiras do secundário for de 20 espiras, assinale a alternativa correta que apresenta, respectivamente, o número de espiras do primário e quantas espiras adicionais seriam necessárias acrescentar ao secundário para que ele possa fornecer 33 V.
Provas
Caderno Container