Foram encontradas 50 questões.
As figuras 1, 2 e 3 representam imagens que arremetem respectivamente aos seguintes tipos de processos de soldagem:

Provas
Questão presente nas seguintes provas
No processo de manutenção de peças mecânicas, a
inspeção por líquido penetrante
Provas
Questão presente nas seguintes provas
O CLP – Controlador Lógico Programável é cérebro do
processo de automação moderno. Ele
Provas
Questão presente nas seguintes provas
A representação de números binários é largamente
utilizada nos circuitos digitais de automação industrial.
Pela regra do complemento de 2, o binário 1000 0010
representa o número
Provas
Questão presente nas seguintes provas
Veja a seguir um circuito analógico simples composto de dois
resistores e um componente LM358N, muito utilizado na
instrumentação industrial.

Com base na figura e nos conhecimentos de eletrônica básica, este circuito

Com base na figura e nos conhecimentos de eletrônica básica, este circuito
Provas
Questão presente nas seguintes provas
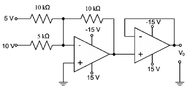
Na figura a seguir vê-se mostra um circuito com dois
amplificadores operacionais ideais.

A tensão de saída, V0, no circuito mostrado, é:

A tensão de saída, V0, no circuito mostrado, é:
Provas
Questão presente nas seguintes provas
Veja na sequência a seguir um LED sendo alimentado
através de um transistor bipolar de junção cujas
características para operação em saturação são mostradas
na tabela a seguir. Quando em operação, a queda de tensão
no LED é de 1,8 V.

Qual é o valor máximo da resistência R para que o transistor opere na região de saturação?

Qual é o valor máximo da resistência R para que o transistor opere na região de saturação?
Provas
Questão presente nas seguintes provas
A figura a seguir representa um circuito com um diodo
semicondutor e uma carga resistiva R alimentados por uma
tensão senoidal v=V m
sen(ωt).

Qual é a forma de onda da tensão sobre o resistor R no primeiro ciclo da tensão da fonte?

Qual é a forma de onda da tensão sobre o resistor R no primeiro ciclo da tensão da fonte?
Provas
Questão presente nas seguintes provas
O circuito da figura a seguir representa um conversor de
energia (inversor de frequência) monofásico com carga
RL. Os diodos D1 a D4 fornecem um caminho de retorno
para a corrente quando as chaves S1 a S4 são desligadas.

Suponha que o inversor opere em estágios, de acordo com a tabela a seguir.

No estágio 4, após o desligamento simultâneo das chaves S2 e S3, a corrente da carga flui através dos diodos

Suponha que o inversor opere em estágios, de acordo com a tabela a seguir.

No estágio 4, após o desligamento simultâneo das chaves S2 e S3, a corrente da carga flui através dos diodos
Provas
Questão presente nas seguintes provas
Qual é o dispositivo utilizado na proteção de motores elétricos com a simbologia a seguir?

Provas
Questão presente nas seguintes provas
Cadernos
Caderno Container