Magna Concursos

Foram encontradas 65 questões.

3878077 Ano: 2025
Disciplina: Eletroeletrônica
Banca: UFF
Orgão: UFF
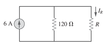
Considere o circuito apresentado a seguir.

Enunciado 4855247-1

O valor da resistência R para que a corrente IR seja igual a 2 A é
 

Provas

Questão presente nas seguintes provas
3878076 Ano: 2025
Disciplina: Eletroeletrônica
Banca: UFF
Orgão: UFF
Dadas as tensões v1(t) = 20sen(ωt + 60°) e v2(t) = 60cos(ωt − 20°), a defasagem angular entre as tensões v1(t) e v2(t) é
 

Provas

Questão presente nas seguintes provas
3878075 Ano: 2025
Disciplina: Eletroeletrônica
Banca: UFF
Orgão: UFF
Considere uma forma de onda representando uma tensão periódica, conforme apresentado no gráfico a seguir.

Enunciado 4855245-1

O valor médio aproximado da tensão v(t) é
 

Provas

Questão presente nas seguintes provas

Considere o circuito apresentado a seguir.

Enunciado 4855244-1

O valor da tensão V1 é

 

Provas

Questão presente nas seguintes provas
3878073 Ano: 2025
Disciplina: Eletroeletrônica
Banca: UFF
Orgão: UFF
Se 40 J de energia são necessários para mover uma carga de 20 C de um ponto A para o ponto B, então a tensão VAB, ou seja, a diferença de potencial entre os pontos A e B, é
 

Provas

Questão presente nas seguintes provas

Texto 3

VEJA O MANUAL PRÁTICO DE VIRAR 'MÃE DA SUA MÃE'

Martha Medeiros

Enunciado 4657705-1

Disponível em https://oglobo.globo.com/ela/marthamedeiros/coluna/2025/04/veja-o-manual-pratico-de-virar-mae-dasua-mae.ghtml.Acesso em: 07 maio 2025. Fragmento adaptado.

No enunciado “Vamos rindo enquanto dá para rir,...” (linhas 37-38), a locução verbal “vamos rindo” indica ação
 

Provas

Questão presente nas seguintes provas

Texto 1

Enunciado 4657694-1

Prado, Adélia. Bagagem [recurso eletrônico]. Rio de Janeiro: Editora Record, 2025. p. 7.

No verso “Mulher é desdobrável. Eu sou.”, temos orações classificadas como
 

Provas

Questão presente nas seguintes provas

Texto 1

Enunciado 4657693-1

Prado, Adélia. Bagagem [recurso eletrônico]. Rio de Janeiro: Editora Record, 2025. p. 7.

No enunciado “Vai ser coxo na vida é maldição pra homem” (Verso 17), a preposição contraída “pra” é um exemplo de:
 

Provas

Questão presente nas seguintes provas

Texto 1

Enunciado 4657692-1

Prado, Adélia. Bagagem [recurso eletrônico]. Rio de Janeiro: Editora Record, 2025. p. 7.

No trecho “ a minha vontade de alegria, /sua raiz vai ao meu mil avô” (Versos 15 e 16) —, o emprego da palavra sublinhada (“já”) tem como objetivo orientar discursivamente o enunciado para
 

Provas

Questão presente nas seguintes provas

Texto 1

Enunciado 4657691-1

Prado, Adélia. Bagagem [recurso eletrônico]. Rio de Janeiro: Editora Record, 2025. p. 7.

A expressão “não tem pedigree”, sublinhada no enunciado “minha tristeza não tem pedigree” (Verso 14), indica que a tristeza da voz poética é:
 

Provas

Questão presente nas seguintes provas