Foram encontradas 65 questões.
Considere que a chave do circuito
apresentado a seguir esteve fechada por um longo
período e foi aberta em t = 0 s.
Passado o período transitório, ou seja, considerando um longo período após a abertura da chave em t = 0 s, o valor da corrente i indicada no circuito é
Passado o período transitório, ou seja, considerando um longo período após a abertura da chave em t = 0 s, o valor da corrente i indicada no circuito é
Provas
Questão presente nas seguintes provas
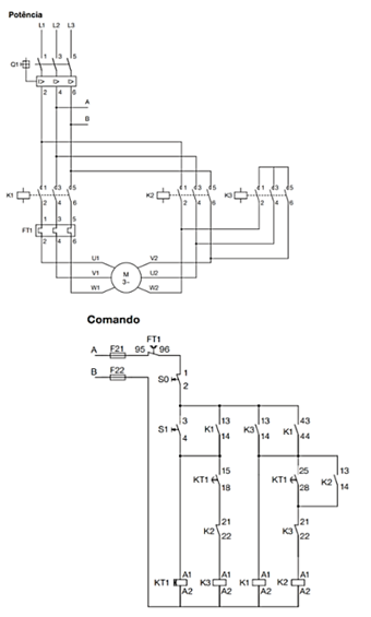
São apresentados a seguir os diagramas de
potência e comando de um motor de indução trifásico.
Ao acionar a botoeira S1, o motor é ligado. Analisando os diagramas de potência e comando, é possível verificar que essa lógica de comando produz
Ao acionar a botoeira S1, o motor é ligado. Analisando os diagramas de potência e comando, é possível verificar que essa lógica de comando produz
Provas
Questão presente nas seguintes provas
Considere que um motor de indução trifásico
de rotor em gaiola, 60 Hz, 4 polos, 250 HP, 480 V,
conexão do estator em delta, rendimento igual a
0,746 e fator de potência igual a 0,8, aciona uma
carga com a rotação de 1.782 rpm. Esse motor
opera com um escorregamento de
Provas
Questão presente nas seguintes provas
O gráfico apresentado a seguir mostra
curvas representando a variação do conjugado
versus a rotação do motor de indução trifásico.
O sentido da seta apresentada no gráfico anterior indica a variação do seguinte parâmetro do motor de indução:
O sentido da seta apresentada no gráfico anterior indica a variação do seguinte parâmetro do motor de indução:
Provas
Questão presente nas seguintes provas
O eletroímã a seguir tem a relutância do
núcleo igual a 200 × 103 A.espira/Wb, a relutância
do entreferro igual a 1000 × 103A.espira/Wb e o
número de espiras N = 240.
O valor aproximado da indutância do circuito magnético é
O valor aproximado da indutância do circuito magnético é
Provas
Questão presente nas seguintes provas
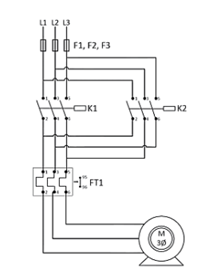
O diagrama funcional de comando de um motor de indução trifásico é apresentado a seguir.

Analisando o diagrama, é possível inferir que os contatores possibilitam
Provas
Questão presente nas seguintes provas
A figura a seguir apresenta dois circuitos
equivalentes ligados em delta (figura a) e estrela
(figura b).
Convertendo-se o circuito em delta (figura a) para estrela (figura b), o valor da resistência R2 será
Convertendo-se o circuito em delta (figura a) para estrela (figura b), o valor da resistência R2 será
Provas
Questão presente nas seguintes provas
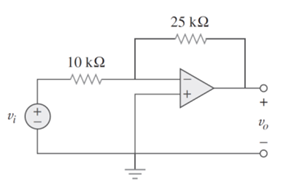
Observe o circuito com amplificador operacional apresentado a seguir.

Considerando-se a tensão de entrada vi= 1 V, o valor da tensão de saída vo é
Provas
Questão presente nas seguintes provas
O gráfico a seguir representa a demanda instantânea de um laboratório ao longo de um dia (24h).

A energia em kWh consumida por esse laboratório no período de 24h é
Provas
Questão presente nas seguintes provas
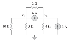
Considere o circuito apresentado a seguir:
Determine o valor da tensão V1.
Determine o valor da tensão V1.
Provas
Questão presente nas seguintes provas
Cadernos
Caderno Container