Foram encontradas 50 questões.
Analise o circuito digital a seguir.

A expressão final simplificada para o circuito é
Provas
A polarização realizada em um transistor, para que ele possa trabalhar como amplificador de sinais, deve ser
Provas
A faixa de frequências em UHF (Ultra High Frequency- Frequências Ultra Altas) é utilizada para os canais de televisão que se estende de 400 MHz até 800 MHz. O valor do período, no intervalo de frequência, é de
Provas
Um motor de indução trifásico será alimentado a partir de uma rede trifásica de 380 V. O motor tem potência igual a 100 CV, cos \( \varphi \) = 0,86 e rendimento = 0,84. A tabela 1 apresenta as Capacidades de Condução de Corrente de Condutores e a tabela 2 apresenta as Correntes Nominais de Disjuntores Tripolares.
TABELA 1 – CAPACIDADE DE CONDUÇÃO DE CORRENTE DE CONDUTORES
| SEÇÃO NOMINAL (mm2) |
10 | 16 | 25 | 35 | 50 | 70 | 95 | 120 | 150 |
| CAPACIDADE DE CONDUÇÃO (A) |
52 | 67 | 86 | 103 | 122 | 151 | 179 | 203 | 230 |
TABELA 2 – CORRENTES NOMINAIS DE DISJUNTORES TRIPOLARES (AMPÈRE)
| 60 | 63 | 70 | 80 | 90 | 100 | 125 | 160 | 250 | 400 |
Baseando-se no critério de proteção contra correntes de sobrecarga, a seção nominal dos condutores e a corrente nominal do disjuntor tripolar adotados para esse circuito serão, respectivamente,
Considere \( \sqrt{3} \) = 1,73.
Provas
No projeto de uma instalação elétrica, são utilizados fatores de projeto para a determinação das demandas máximas dos diversos setores da instalação e da demanda máxima global.
Tendo como base os fatores de projeto, considere as afirmativas a seguir.
I. O fator de demanda é a razão da demanda máxima da instalação e a potência instalada.
II. Mantida a demanda máxima de uma instalação, quanto maior o período, menor será o fator de carga.
III. O fator de utilização é definido para um setor de uma instalação.
IV. O fator de diversidade é a razão da demanda média para a demanda máxima da instalação em um dado período.
Estão corretas as afirmativas
Provas
A Figura a seguir apresenta o acionamento de uma lâmpada a vapor metálico através de uma fotocélula.

Nessa figura, os elementos 1, 2 e 3 são, respectivamente,
Provas
A Figura a seguir apresenta uma carga trifásica alimentada por rede pública de baixa tensão. O esquema de aterramento adotado está de acordo com a norma NBR 5410 - Instalações Elétricas de Baixa Tensão.

Nessa Figura, L1, L2 e L3 são as fases; N é o neutro e PE é o condutor de proteção. De acordo com esses dados e com a Figura, o esquema de aterramento denomina-se
Provas
O circuito de comando representado na Figura a seguir é utilizado para acionar cinco motores elétricos de indução.

Nessa Figura, F é um fusível, RT são contatos de relés térmicos, BD são botoeiras desliga, BL são botoeiras liga e K são contatores. De acordo com esses dados e a Figura, é correto afirmar que
Provas
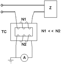
Um transformador de corrente alimentando um amperímetro ideal está representado na Figura a seguir. Nessa Figura, TC é um transformador de corrente, Z é uma carga genérica, N1 é o número de espiras no primário, N2 é o número de espiras no secundário e A é um amperímetro.

De acordo com esses dados e com a Figura, é correto afirmar que
Provas
Os materiais orgânicos utilizados na construção da isolação e da cobertura de cabos elétricos são combustíveis e, durante a ocorrência de um incêndio, podem propagar o fogo e emitirem fumaça de gases tóxicos e corrosivos.
Tendo como base o exposto acima, considere as afirmativas a seguir.
I. Os cabos para circuitos de segurança utilizam materiais de baixa resistência a temperaturas elevadas.
II. Os cabos resistentes à chama são aqueles em que a chama não se propaga, mesmo em caso de exposição prolongada ao fogo.
III. O cabo propagador de chama, quando submetido à ação direta da chama, entra em combustão e não a mantém após a retirada da chama ativadora.
IV. O cabo com propagação reduzida da chama tem seu comportamento dependente do tempo da exposição à chama, da intensidade da chama e do agrupamento com outros cabos.
Estão corretas as afirmativas
Provas
Caderno Container