Foram encontradas 90 questões.
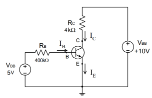
De acordo com a figura abaixo, assinale a afirmativa que corresponde ao valor da corrente de base IB e da tensão VCE, assumindo que o transistor tem ganho 100.

Provas
- Conversores Analógicos Digitais (AD) e Digitais Analógicos (DAC)
- Eletrônica Digital na Engenharia Eletrônica
Provas
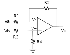
De acordo com o circuito da figura abaixo, assinale a opção que contém o valor das resistências do circuito de modo que o circuito se comporte como um amplificador de diferenças com uma resistência de entrada de 20 K Ω e um ganho de 10.

Provas
Provas
Provas
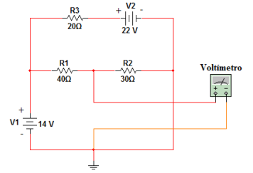
Considere o circuito elétrico de corrente contínua da figura, no qual se realiza uma medida com um voltímetro. Com base nos valores dos elementos do circuito, a tensão medida pelo voltímetro é. (Os valores de todos os resistores são dados em Ohms e das tensões em Volts).

Provas

Provas
Provas
Considere as seguintes afirmativas:
I. O amperímetro é um instrumento para medição de corrente elétrica. Para se medir a corrente, deve-se interromper o circuito e intercalar o medidor.
II. Um voltímetro de 100000 ohms/volt introduz mais erro na medição de tensão do que um voltímetro de 50000 ohms/volt.
III. Corrente de fundo de escala é a corrente mínima suportável por um amperímetro.
IV. Quanto maior a resistência elétrica de um material, menor será a corrente que o atravessa.
V. Uma forma prática e segura de se iniciar uma medição é sempre começar pela escala de menor alcance e aumentar, paulatinamente, os alcances até um ponto acessível de medida fácil e precisa.
Assinale a alternativa correta.
Provas
Provas
Caderno Container