Foram encontradas 90 questões.
Considerando como valor máximo do desvio de frequência ΔF fixado em 75KHZ para transmissão de
FM comercial por rádio, e a frequência de modulação principal sendo de 15KHZ, assinale a opção, de
acordo com a regra de Carson, que representa a frequência máxima de áudio de interesse em
transmissões FM.
Provas
Questão presente nas seguintes provas
Considerando os dados de especificação técnica da porta NAND 74ALS00, assinale a opção que representa a quantidade de portas que podem ser acionadas em sua saída.

Provas
Questão presente nas seguintes provas
Os circuitos aritméticos são circuitos combinacionais que executam operações como soma, subtração,
multiplicação e divisão. Sobre somadores, assinale a alternativa correta.
Provas
Questão presente nas seguintes provas
Sobre diodos, assinale a alternativa correta.
Provas
Questão presente nas seguintes provas
Sobre modulação em amplitude, assinale a alternativa correta.
Provas
Questão presente nas seguintes provas
De acordo com as especificações técnicas para o CI 74ALS00, um circuito integrado quádruplo de portas NAND de duas entradas, assinale a alternativa que representa a potência de dissipação térmica média máxima para uma única porta.

Provas
Questão presente nas seguintes provas
Sobre diodos emissores de luz, assinale a alternativa correta.
Provas
Questão presente nas seguintes provas
Sobre as topologias básicas de realimentação em amplificadores operacionais, assinale a alternativa correta.
Provas
Questão presente nas seguintes provas
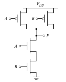
Assinale a alternativa que indica a função lógica realizada pelo circuito da figura abaixo:

Provas
Questão presente nas seguintes provas
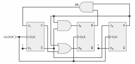
Sobre o contador síncrono de flip-flops tipo JK representado na figura abaixo, considerando que o
mesmo inicia-se com as saídas em 0, assinale a alternativa que contém os estados de contagem C B A do
respectivo contador.


Provas
Questão presente nas seguintes provas
Cadernos
Caderno Container