Foram encontradas 50 questões.

Provas
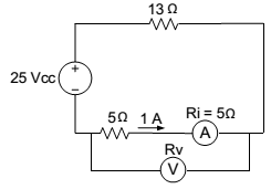
Sabendo-se que a resistência interna do amperímetro (Ri) do circuito abaixo é igual 5 Ω, pode-se afirmar que a resistência interna do voltímetro (Rv) é igual a:

Provas
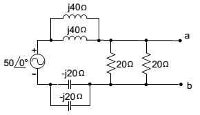
A tensão de Thévenin entre os terminais “a” e “b” do circuito da figura abaixo é igual a:

Provas
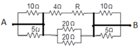
Sabendo-se que a resistência equivalente do circuito ao lado, entre os pontos A e B, é igual a 5 Ω, pode-se afirmar que o valor da resistência R é igual a:

Provas
Provas
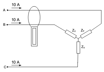
A figura abaixo apresenta o diagrama de controle do circuito de acionamento de uma máquina trifásica comandada pelo contactor C1.

As chaves S0 e S1 são do tipo sem retenção. O relé K1 é do tipo de retardo na energização programado para 15 minutos e o relé K2 do tipo de retardo no desligamento programado para 30 minutos. Com o sistema em condições normais de funcionamento, considere que o operador tenha acionado a chave S0 e após 1 minuto a chave S1. Nesta situação, analise as seguintes afirmativas:
I. A máquina acionada por C1 funcionará continuamente durante 30 min e permanecerá desligada nos 30 min restantes de cada hora.
II. A máquina acionada por C1 iniciará um ciclo de trabalho, até que a chave S0 seja acionada, com funcionamento em intervalos de 30min e paradas de 15min.
III. A máquina acionada por C1 será acionada após 15 min ao acionamento da chave S1, ficará ligada nos 30 minutos seguintes e não tornará a ser acionada, caso não haja interferência do operador.
Estão corretas apenas as seguintes alternativas:
Provas
Provas

Provas

Provas

Provas
Caderno Container