Foram encontradas 35 questões.
Assinale a opção que contém ERRO de análise sintática:
Provas
Questão presente nas seguintes provas
Os computadores são compostos por vários dispositivos, destes alguns são indispensáveis e outros são opcionais. Os dispositivos são divididos em entrada e saída. Associe de acordo com o tipo de dispositivo e assinale a sequência correta.
I. Dispositivo de entrada
II. Dispositivo de saída
III. Dispositivo de entrada e saída
( ) Monitor sensível ao toque
( ) Impressora laser
( ) Teclado numérico
( ) Impressora multifuncional
( ) Mouse óptico
( ) Monitor 17”
Provas
Questão presente nas seguintes provas
Assinale a opção que contém ERRO de regência:
Provas
Questão presente nas seguintes provas
Leia agora o texto “A Boiuna ou a epifania da Cobra-Grande”, constante do livro Cultura amazônica: uma poética do imaginário (p. 221-222), de autoria de João de Jesus Paes Loureiro, para responder à questão, elaboradas a partir de seu conteúdo:
Os rios da Amazônia são relógios e calendários da vida na região. É no ritmo das vazantes e das enchentes, das marés diárias ou fenômenos semestrais – como no alto e médio Amazonas – que os rios se constituem no relógio e no calendário regionais.A vida olha o rio, os homens regulam seu cotidiano pelo movimento das águas. Numa região de vastidões, de terras-do-sem-fim, o caboclo tem de fixar-se no detalhe da paisagem, porque é dessa intimidade com a natureza que resulta o conhecimento da sua existência. Uma folha que cai se relaciona a estrela cadente. Há uma correspondência entre o anódino e o cósmico que confere à relação do homem com a realidade uma constante atribuição dos sentidos. Promove-se o preenchimento dessa moldura também afetivizada com uma espécie de teogonia poética de encantados, que, na verdade, representam um impulso do imaginal, uma invenção de correspondências entre o contingente e o eterno no âmbito da cultura. O encontro de um valor permanente e ontológico que ultrapassa o histórico e torna uma referência universal e perene aquilo que é múltiplo e transitório.
A explicação dos eventos cotidianos, na Amazônia, se faz por meio de uma forma poética de imensa riqueza, inserindo na relação do homem com a vida um elemento de poesia.
A lenda da Boiuna, como Cobra-Grande transformada em navio iluminado, é a transmissão visível do esplendor invisível do rio. É um momento no qual o ajustamento da imagem do visível e do invisível, à semelhança do processo de “ajuste de foco” nas lentes da câmara fotográfica, superpõe a imagem do invisível à do visível, revelando e iluminando o mistério então contemplado.
De acordo com o contexto em que se insere, a palavra “teogonia” significa:
Provas
Questão presente nas seguintes provas
Uma característica da partida direta de motores elétricos trifásicos é:
Provas
Questão presente nas seguintes provas
Assinale a opção que contém palavra(s) escrita(s) com ERRO:
Provas
Questão presente nas seguintes provas
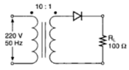
No circuito da figura a seguir, temos um diodo do tipo ideal alimentando uma carga de 100 Ω. O transformador também é ideal, com relação de 10:1. Considerando !$ \sqrt {2} = 1,4 !$ e !$ ^1/_\pi = 0,32 !$,o valor médio da corrente na carga é:

Provas
Questão presente nas seguintes provas
A resistência de Thevenin e a tensão de Thevenin vistas pelos pontos a e b para o circuito da figura a seguir é:

Provas
Questão presente nas seguintes provas
Assinale a opção que contém forma verbal na voz reflexiva:
Provas
Questão presente nas seguintes provas
Uma característica da modulação AM-DSB é:
Provas
Questão presente nas seguintes provas
Cadernos
Caderno Container