Foram encontradas 35 questões.
Um estator trifásico, contendo 6 pólos, excitado por uma corrente com frequência de 60 Hz, possui velocidade, em rotações por minuto, de :
Provas
Questão presente nas seguintes provas
Assinale a opção que contém a partícula se como palavra expletiva ou de realce:
Provas
Questão presente nas seguintes provas
Nas empresas, o ataque às informações eletrônicas por vírus, malwares e hackers é muito comum pelo fato de as redes estarem, habitualmente, conectadas à internet. Para proteger suas informações, entre outras atitudes relacionadas à segurança, as empresas devem
Provas
Questão presente nas seguintes provas
O aplicativo Excel da Microsoft, em suas diversas versões, inclui quatro diferentes tipos de operadores de cálculo, que são aritmético, de comparação, de concatenação de texto e de:
Provas
Questão presente nas seguintes provas
No Microsoft Word versão 2007, durante a digitação de um texto o Word insere sublinhados para indicar os seguintes significados: I) Indicar um possível erro ortográfico ou que o Word não reconhece a palavra; II) A palavra está correta, mas o Word não a reconhece como correta para a frase; III) O Word considera que a gramática deveria ser revista. Tais sublinhados são coloridos respectivamente com as seguintes cores:
Provas
Questão presente nas seguintes provas
Assinale a opção que contém ERRO de concordância:
Provas
Questão presente nas seguintes provas
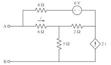
A tensão de Thevenin e a resistência de Thevenin vistas pelos terminais A e B no circuito da figura a seguir é:

Provas
Questão presente nas seguintes provas
Assinale a opção em que o acento indicativo da crase está bem colocado:
Provas
Questão presente nas seguintes provas
Três zonas de um circuito monofásico estão representadas na figura a seguir. As zonas estão conectadas a transformadores T1 e T2, com relações mostradas. Usando valores de base 30 KVA e 240 V na zona 1, se na zona 3 existir uma carga com impedância Z = 0,9 + j0,2 Ω , o valor desta impedância de carga em p.u. é, aproximadamente:

Provas
Questão presente nas seguintes provas
Segundo as prescrições da norma ABNT NBR 5410, todas as tomadas de corrente fixas das instalações devem ser do tipo?
Provas
Questão presente nas seguintes provas
Cadernos
Caderno Container